Термех Диевский В.А. две задачи Динамика 3 (Д3) на тему «ТЕОРЕМА ОБ ИЗМЕНЕНИИ КИНЕТИЧЕСКОЙ ЭНЕРГИИ»:
ЗАДАНИЕ 1:
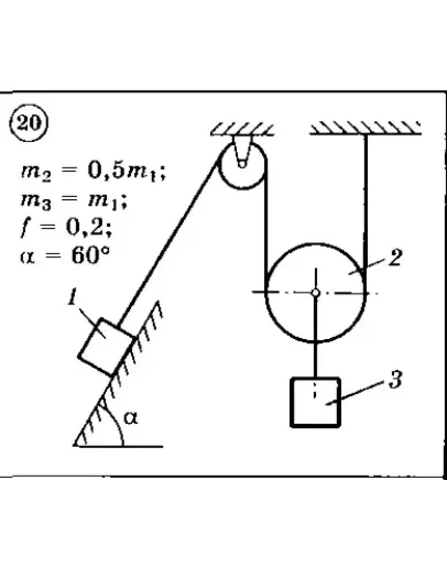
Для приведенных на схемах 1-30 механических систем, используя теорему об изменении кинетической энергии в дифференциальной форме, определить угловое ускорение (варианты 4, 6, 7, 9, 11, 18, 25, 26, 28) или линейное ускорение (остальные варианты) тела 1. Нити невесомы и нерастяжимы. Принятые обозначения: т — массы тел, R и r — радиусы, р — радиус инерции (если он не указан, тело считать однородным цилиндром); при наличии трения указываются f — коэффициент трения скольжения, fк — коэффициент трения качения.
ЗАДАНИЕ 2:
Для приведенных на схемах 1-30 механических систем, используя теорему об изменении кинетической энергии в интегральной форме, определить угловую скорость (варианты 4, 6, 7, 9, 11, 18, 25, 26, 28) или линейную скорость (остальные варианты) тела 1 после его заданного перемещения Фи1 = 2пи рад или S1 = 2 м. Движение начинается из состояния покоя.
Решение двух заданий задачи Д3 схема №20
ЗАДАНИЕ 1:
Для приведенных на схемах 1-30 механических систем, используя теорему об изменении кинетической энергии в дифференциальной форме, определить угловое ускорение (варианты 4, 6, 7, 9, 11, 18, 25, 26, 28) или линейное ускорение (остальные варианты) тела 1. Нити невесомы и нерастяжимы. Принятые обозначения: т — массы тел, R и r — радиусы, р — радиус инерции (если он не указан, тело считать однородным цилиндром); при наличии трения указываются f — коэффициент трения скольжения, fк — коэффициент трения качения.
ЗАДАНИЕ 2:
Для приведенных на схемах 1-30 механических систем, используя теорему об изменении кинетической энергии в интегральной форме, определить угловую скорость (варианты 4, 6, 7, 9, 11, 18, 25, 26, 28) или линейную скорость (остальные варианты) тела 1 после его заданного перемещения Фи1 = 2пи рад или S1 = 2 м. Движение начинается из состояния покоя.
Решение двух заданий задачи Д3 схема №20




