Термех Диевский В.А. задание 2 задача Динамика 4 (Д4) на тему «ПРИНЦИП ЛАГРАНЖА»:
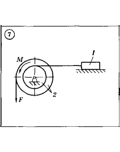
Д4 ЗАДАНИЕ 2: Для представленных на рисунках схем 1-30, используя принцип Лагранжа, определить величину силы F (при наличии трения — максимальное значение этой величины), при которой механическая система будет находиться в равновесии. Исходные данные: вес груза G1 = 20 кН, вращающий момент М = 1 кН*м, радиус барабана R2 = 0,4 м (у двойного барабана имеется также r2=0,2 м), угол а = 30° и коэффициент трения скольжения f = 0,5. Ненумерованные блоки и катки считать невесомыми. Трением на осях барабана и блоков пренебречь.
Решение задания 1 задачи Д4 схема №7
Д4 ЗАДАНИЕ 2: Для представленных на рисунках схем 1-30, используя принцип Лагранжа, определить величину силы F (при наличии трения — максимальное значение этой величины), при которой механическая система будет находиться в равновесии. Исходные данные: вес груза G1 = 20 кН, вращающий момент М = 1 кН*м, радиус барабана R2 = 0,4 м (у двойного барабана имеется также r2=0,2 м), угол а = 30° и коэффициент трения скольжения f = 0,5. Ненумерованные блоки и катки считать невесомыми. Трением на осях барабана и блоков пренебречь.
Решение задания 1 задачи Д4 схема №7




