Термех Диевский В.А. задание 2 задача Динамика 7 (Д7) на тему «МАЛЫЕ КОЛЕБАНИЯ МЕХАНИЧЕСКИХ СИСТЕМ»:
Д7 ЗАДАНИЕ 2 - ВЫНУЖДЕННЫЕ КОЛЕБАНИЯ: Механические системы на схемах 1-30 снабжаются невесомым вязким демпфером, который устанавливается в точке В параллельно оси упругого элемента, и создает силу сопротивления, пропорциональную скорости точки В: R = -bvB, где b = 20 Н*с/м — коэффициент сопротивления.
Кроме того, на систему начинает действовать вынуждающая сила F = F0sinpt, где F0 — 60 Н, р = 25 с-1 — амплитуда и частота вынуждающей силы. Вынуждающая сила приложена в точке В и действует параллельно оси упругого элемента. (Если точка В совпадает с точкой А, на схемах указывается В = А.)
Требуется определить амплитуду чисто вынужденных колебаний системы.
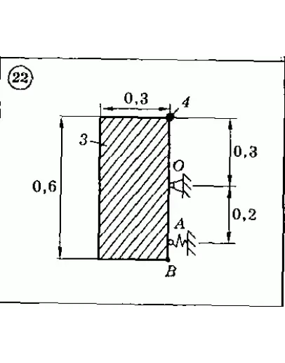
Решение задания 2 задачи Д7 схема №22
Д7 ЗАДАНИЕ 2 - ВЫНУЖДЕННЫЕ КОЛЕБАНИЯ: Механические системы на схемах 1-30 снабжаются невесомым вязким демпфером, который устанавливается в точке В параллельно оси упругого элемента, и создает силу сопротивления, пропорциональную скорости точки В: R = -bvB, где b = 20 Н*с/м — коэффициент сопротивления.
Кроме того, на систему начинает действовать вынуждающая сила F = F0sinpt, где F0 — 60 Н, р = 25 с-1 — амплитуда и частота вынуждающей силы. Вынуждающая сила приложена в точке В и действует параллельно оси упругого элемента. (Если точка В совпадает с точкой А, на схемах указывается В = А.)
Требуется определить амплитуду чисто вынужденных колебаний системы.
Решение задания 2 задачи Д7 схема №22




