Термех Диевский В.А. задача Динамика 8 (Д8) на тему «ТЕОРИЯ УДАРА»:
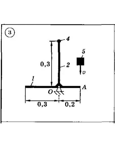
На схемах 1-30 показаны механические системы, состоящие из конструкции и ударяющего по ней тела. Конструкция может вращаться вокруг оси, проходящей через неподвижную точку О. Она состоит из тонких однородных стержней 1 и 2, или однородной пластины 3 и точечных грузов 4. Масса 1 м длины стержней равна 25 кг, масса 1 м2 площади пластины — 50 кг, масса точечного груза — 20 кг. Размеры частей конструкции указаны в метрах.
Тело 5 (материальная точка) массой т5 = 30 кг, двигаясь со скоростью v = 4 м/с, ударяется о неподвижную конструкцию в точке А, причем удар является абсолютно неупругим.
Определить угловую скорость конструкции после удара и воспринимаемый ею ударный импульс. Найти также потерянную при ударе кинетическую энергию системы.
Решение задачи Д8 схема 3
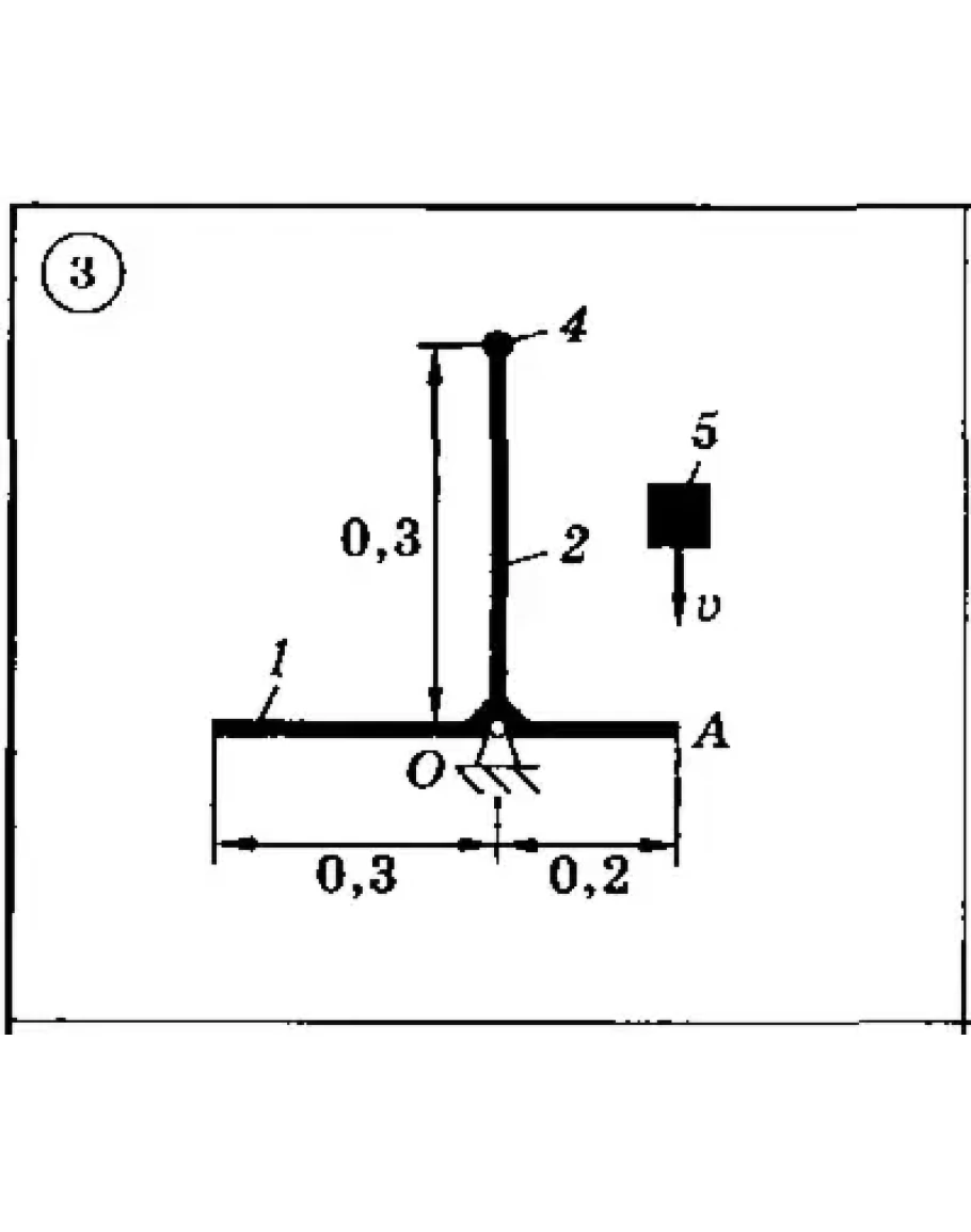
На схемах 1-30 показаны механические системы, состоящие из конструкции и ударяющего по ней тела. Конструкция может вращаться вокруг оси, проходящей через неподвижную точку О. Она состоит из тонких однородных стержней 1 и 2, или однородной пластины 3 и точечных грузов 4. Масса 1 м длины стержней равна 25 кг, масса 1 м2 площади пластины — 50 кг, масса точечного груза — 20 кг. Размеры частей конструкции указаны в метрах.
Тело 5 (материальная точка) массой т5 = 30 кг, двигаясь со скоростью v = 4 м/с, ударяется о неподвижную конструкцию в точке А, причем удар является абсолютно неупругим.
Определить угловую скорость конструкции после удара и воспринимаемый ею ударный импульс. Найти также потерянную при ударе кинетическую энергию системы.
Решение задачи Д8 схема 3




