К2-25 Диевский
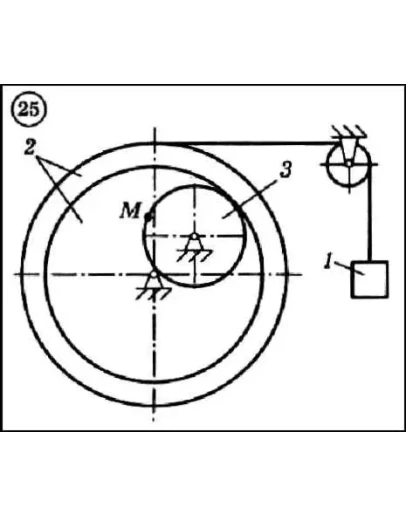
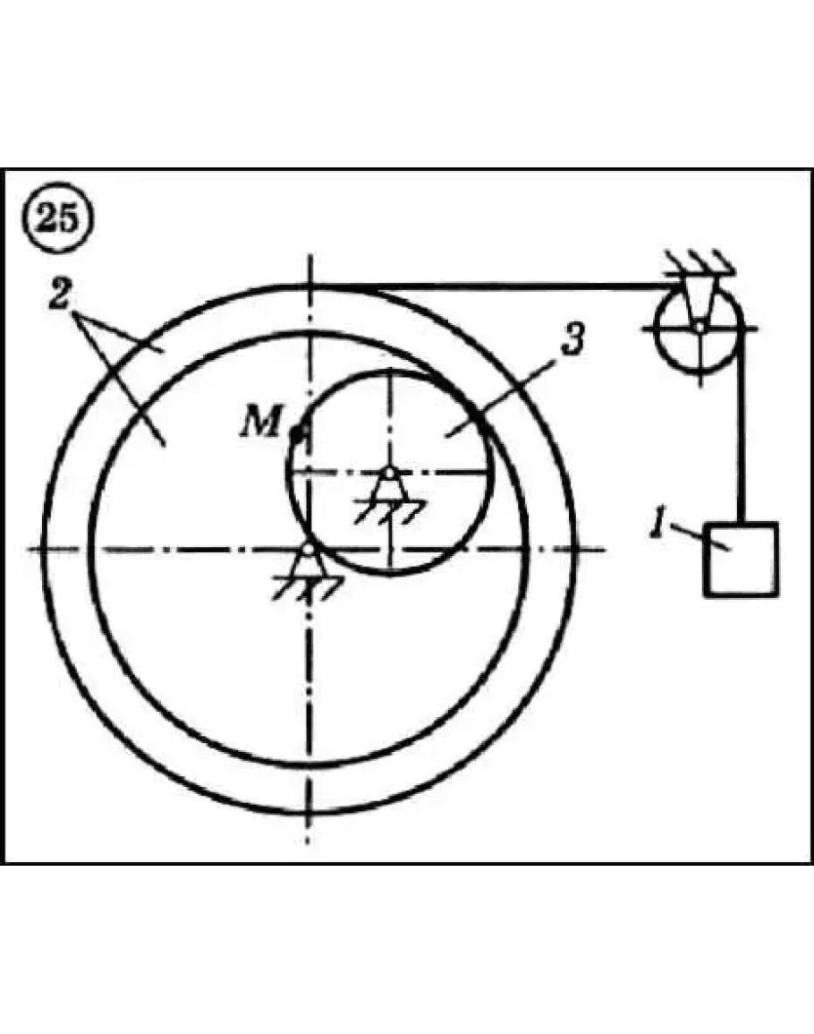
Для приведенной ниже схемы механизма по заданному уравнению движения тела 1 - x(t) определить и показать на рисунке скорость и ускорение точки М, а также скорость и ускорение груза 1 в данный момент времени. Исходные данные, включая радиусы шестерен, шкивов и барабанов, приведены в таблице.
Для приведенной ниже схемы механизма по заданному уравнению движения тела 1 - x(t) определить и показать на рисунке скорость и ускорение точки М, а также скорость и ускорение груза 1 в данный момент времени. Исходные данные, включая радиусы шестерен, шкивов и барабанов, приведены в таблице.
Решение задачи К2 вариант 25 (К2-25) - Диевский В.А.
- Продавец: Михаил_Перович
- Модель: 1989159
- Наличие: Есть в наличии
-
60р.




