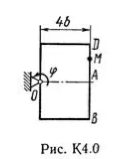
Решение контрольной К4 Вариант 00. Задание для задачи К4: Прямоугольная пластина (рис. К4.0 — К4.4) или круглая пластина радиуса R = 60 см (рис. К4.5 — К4.9) вращается вокруг неподвижной оси по закону фи = f1(t), заданному в табл. К4. Положительное направление отсчета угла фи показано на рисунках дуговой стрелкой. На рис. 0, 1, 2, 5, 6 ось вращения перпендикулярна плоскости пластины и проходит через точку О (пластина вращается в своей плоскости); на рис. 3, 4, 7, 8, 9 ось вращения OO1 лежит в плоскости пластины (пластина вращается в пространстве). По пластине вдоль прямой BD (рис. 0—4) или по окружности радиуса R (рис. 5—9) движется точка М; закон относительного движения, т.е. зависимость s = AM = f2(t) (s выражена в сантиметрах, t — в секундах), задан в таблице отдельно для рис. 0—4 и для рис. 5—9; там же даны размеры b и l. На всех рисунках точка М показана в положении, при котором s = АМ>0 (при s<0 точка М находится по другую сторону от точки А). Необходимо найти абсолютную скорость и абсолютное ускорение точки М в момент времени t1 = 1 с.





