Термех Диевский В.А. задача Кинематика 4 (К4) на тему «Сложное движение точки»:
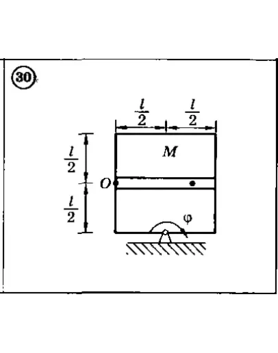
В приведенных ниже схемах 1-30 рассматривается движение точки М в желобе вращающегося тела. По заданным в таблице уравнениям относительного движения OM(t), переносного движения Фи(t) и геометрическим размерам определить абсолютную скорость и абсолютное ускорение точки в указанный момент времени.
Решение задачи К4 схема, номер строки 30
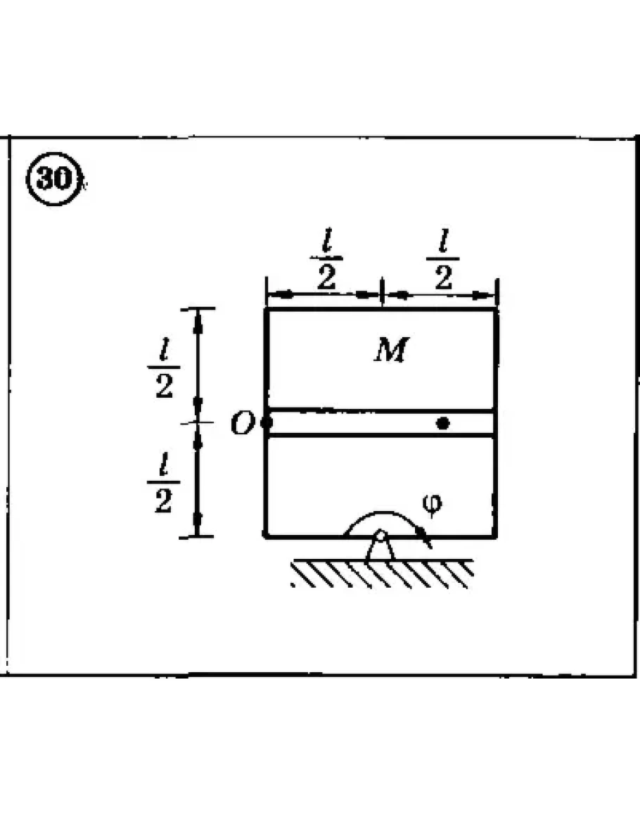
В приведенных ниже схемах 1-30 рассматривается движение точки М в желобе вращающегося тела. По заданным в таблице уравнениям относительного движения OM(t), переносного движения Фи(t) и геометрическим размерам определить абсолютную скорость и абсолютное ускорение точки в указанный момент времени.
Решение задачи К4 схема, номер строки 30




