• Решение задачи по физике раздел 5 пункт 35 электро
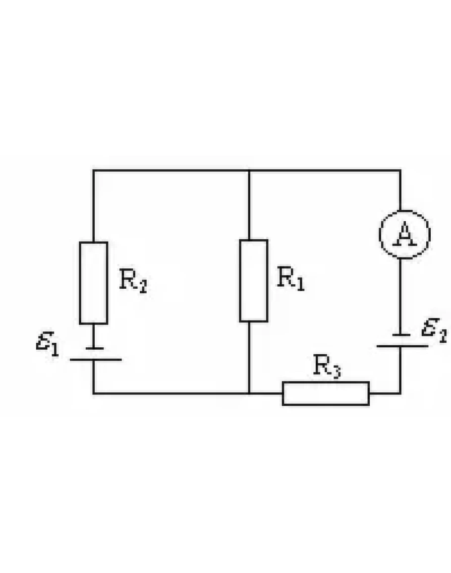
35. Батареи имеют ЭДС e1 = 2 В, e2 = 3 В, сопротивление R3 = 1,5 кОм, сопротивление амперметра RA = 0,5 кОм (рис. 1). Падение потенциала на сопротивлении R2 равно U2 = 1 В (ток через R2 направлен сверху вниз). Найти показания амперметра

Написать отзыв

Примечание: HTML разметка не поддерживается! Используйте обычный текст.
   Плохо           Хорошо

Решение задачи по физике раздел 5 пункт 35 электро

  • Продавец: Massimo86
  • Модель: 1701717
  • Наличие: Есть в наличии
  • 30р.

Рекомендуемые