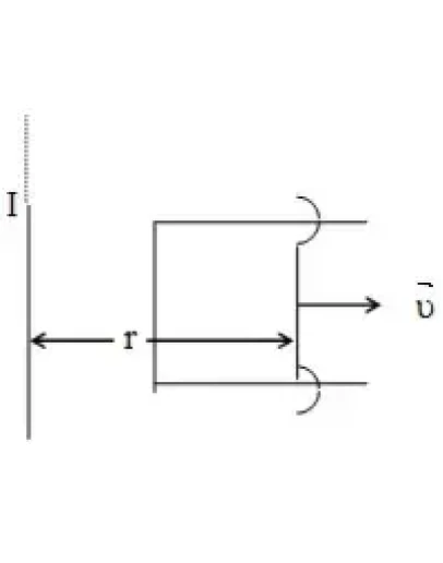
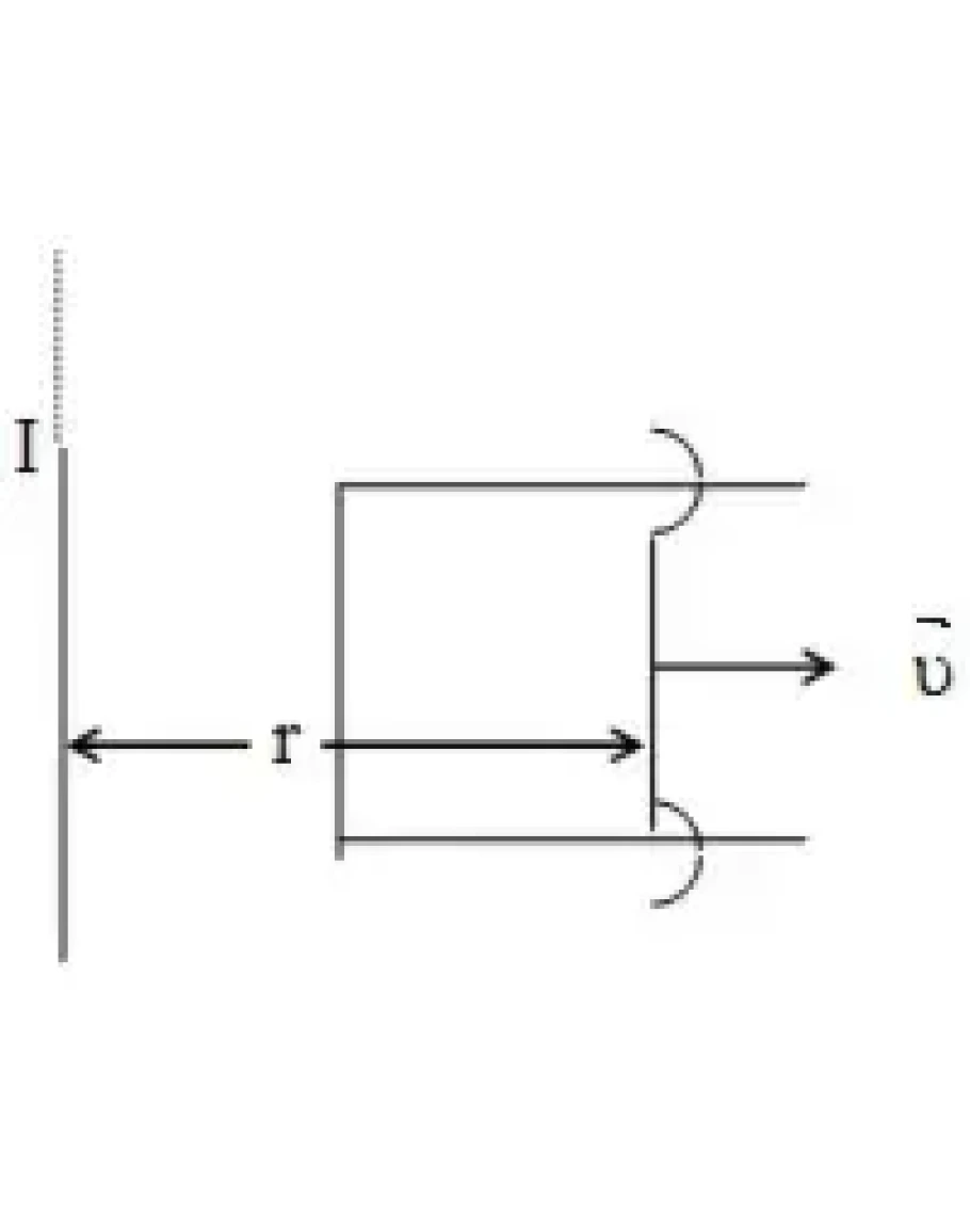
10. Длинный прямой проводник с током I и П-образный проводник с подвижной перемычкой расположены в одной плоскости, как показано на рисунке. Перемычку, длина которой l и сопротивление R, перемещают вправо с постоянной скоростью υ. Найти ток, индуцируемый в контуре, как функцию расстояния r между перемычкой и прямым проводником. Сопротивление П-образного проводника и самоиндукция контура пренебрежимо малы.




