"Термех Диевский В.А. задание Статика 2 (С2) на тему «Плоская система сил»:
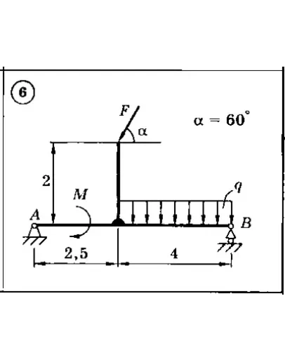
Для представленных на схемах 1-30 тел определить реакции опор. Приведенные на схемах нагрузки имеют следующие величины: вес груза G = 10 кН, сила F = 10 кН, момент пары сил М = 20 кН*м, интенсивность распределенной силы q = 5 кН/м, а также gmax = 5 кН/м. Размеры указаны в метрах. Весом тела следует пренебречь..
Решение задачи С2 схема номер 6"
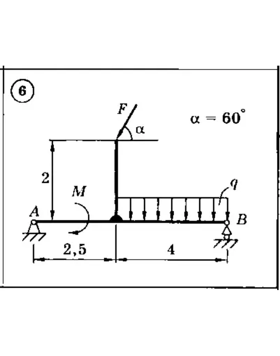
Для представленных на схемах 1-30 тел определить реакции опор. Приведенные на схемах нагрузки имеют следующие величины: вес груза G = 10 кН, сила F = 10 кН, момент пары сил М = 20 кН*м, интенсивность распределенной силы q = 5 кН/м, а также gmax = 5 кН/м. Размеры указаны в метрах. Весом тела следует пренебречь..
Решение задачи С2 схема номер 6"




