C2-03 Диевский
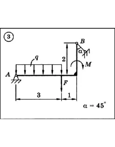
Для представленного на схеме тела определить реакции опор. Приведенные на схеме нагрузки имеют следующие величины: вес груза G = 10 кН, сила F = 10кН, момент пары сил М = 20 кНм, интенсивность распределенной силы q = 5 кН/м, а также qmax = 5 кН/м. Размеры указаны в метрах. Весом тела следует пренебречь.
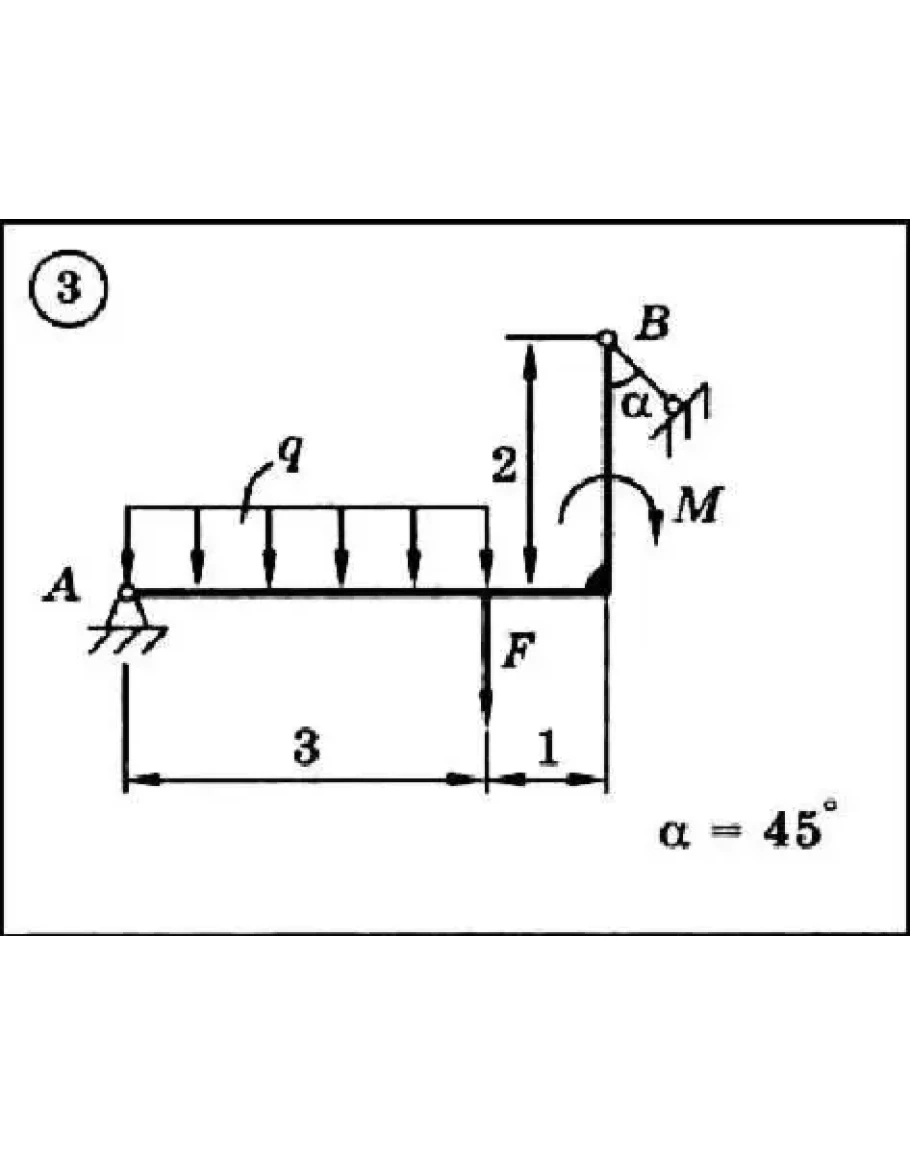
Для представленного на схеме тела определить реакции опор. Приведенные на схеме нагрузки имеют следующие величины: вес груза G = 10 кН, сила F = 10кН, момент пары сил М = 20 кНм, интенсивность распределенной силы q = 5 кН/м, а также qmax = 5 кН/м. Размеры указаны в метрах. Весом тела следует пренебречь.
Решение задачи С2 вариант 3 (С2-03) - Диевский В.А.
- Продавец: Михаил_Перович
- Модель: 1989041
- Наличие: Есть в наличии
-
60р.




