C3-16 Диевский
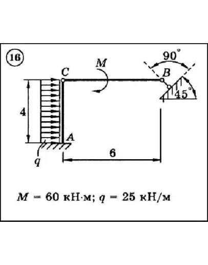
Для представленной на схеме составной конструкции найти реакции опор. Размеры указаны в метрах. Весом элементов конструкции пренебречь.
Для представленной на схеме составной конструкции найти реакции опор. Размеры указаны в метрах. Весом элементов конструкции пренебречь.
Решение задачи С3 вариант 16 (С3-16) - Диевский В.А.
- Продавец: Михаил_Перович
- Модель: 1989095
- Наличие: Есть в наличии
-
60р.




