ВНИМАНИЕ! Решение выполнено в соответствии с требованиями из сборника. Аналитическое решение (система уровнений) + прверка, тоже аналитическим способом.
Сборник В.И. Сеткова (стр. 11).
Сборник В.И. Сеткова (стр. 11).
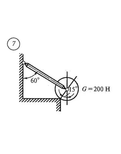
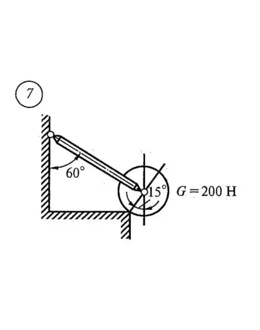
Самостоятельная работа 1. Вариант 7
- Продавец: prosto-igor
- Модель: 2351297
- Наличие: Есть в наличии
-
139р.




