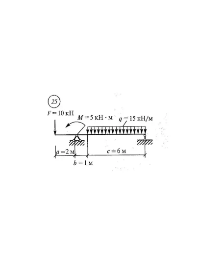
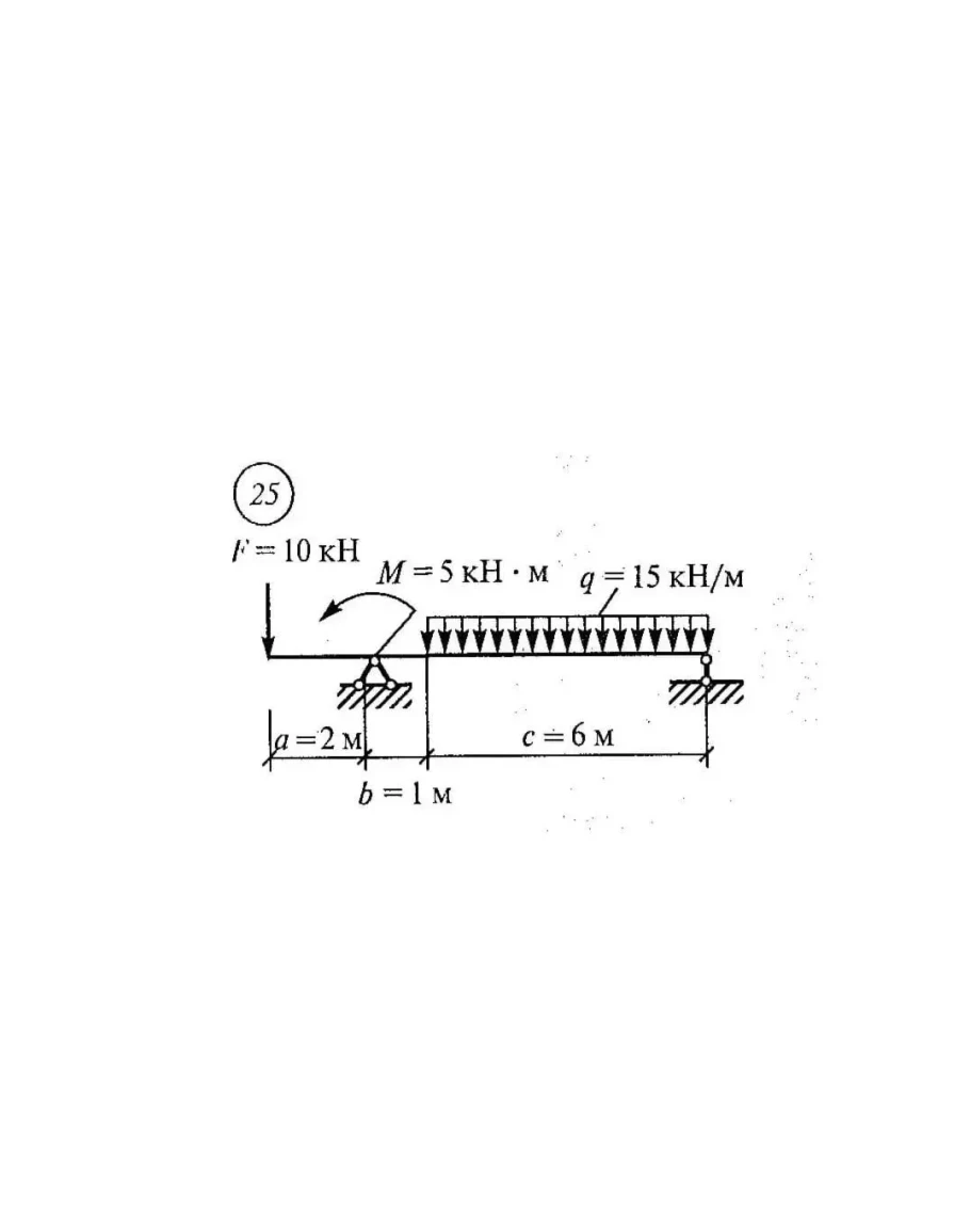
Определение опорных реакций балки на двух опорах. Решение выполнено в соответствии с требованиями из сборника.
Сборник В.И. Сеткова (стр. 18).
Сборник В.И. Сеткова (стр. 18).
Самостоятельная работа 2. Вариант 25
- Продавец: prosto-igor
- Модель: 1717984
- Наличие: Есть в наличии
-
139р.




