ВНИМАНИЕ! Решение выполнено в соответствии с требованиями из сборника.
В решении найден ЦЕНТР ТЯЖЕСТИ и показан на рисунке. Рисунок выполнен НЕ В МАСШТАБЕ (т.к. таких требований в сборнике нет). Главные МОМЕНТЫ ИНЕРЦИИ в этой самостоятельной ОТСУТСТВУЮТ (моменты инерции это 5-ая самостоятельная работа из сборника).
Сборник В.И. Сеткова (стр. 26).
В решении найден ЦЕНТР ТЯЖЕСТИ и показан на рисунке. Рисунок выполнен НЕ В МАСШТАБЕ (т.к. таких требований в сборнике нет). Главные МОМЕНТЫ ИНЕРЦИИ в этой самостоятельной ОТСУТСТВУЮТ (моменты инерции это 5-ая самостоятельная работа из сборника).
Сборник В.И. Сеткова (стр. 26).
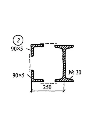
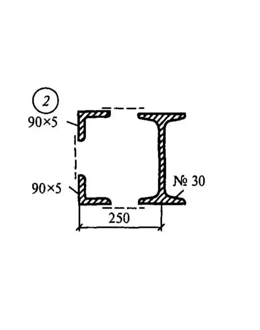
Самостоятельная работа 3. Вариант 2
- Продавец: prosto-igor
- Модель: 1732535
- Наличие: Есть в наличии
-
102р.




