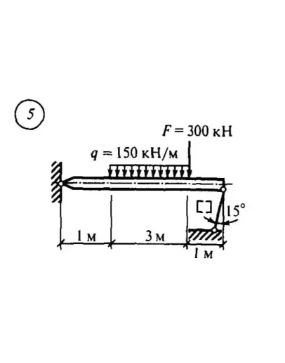
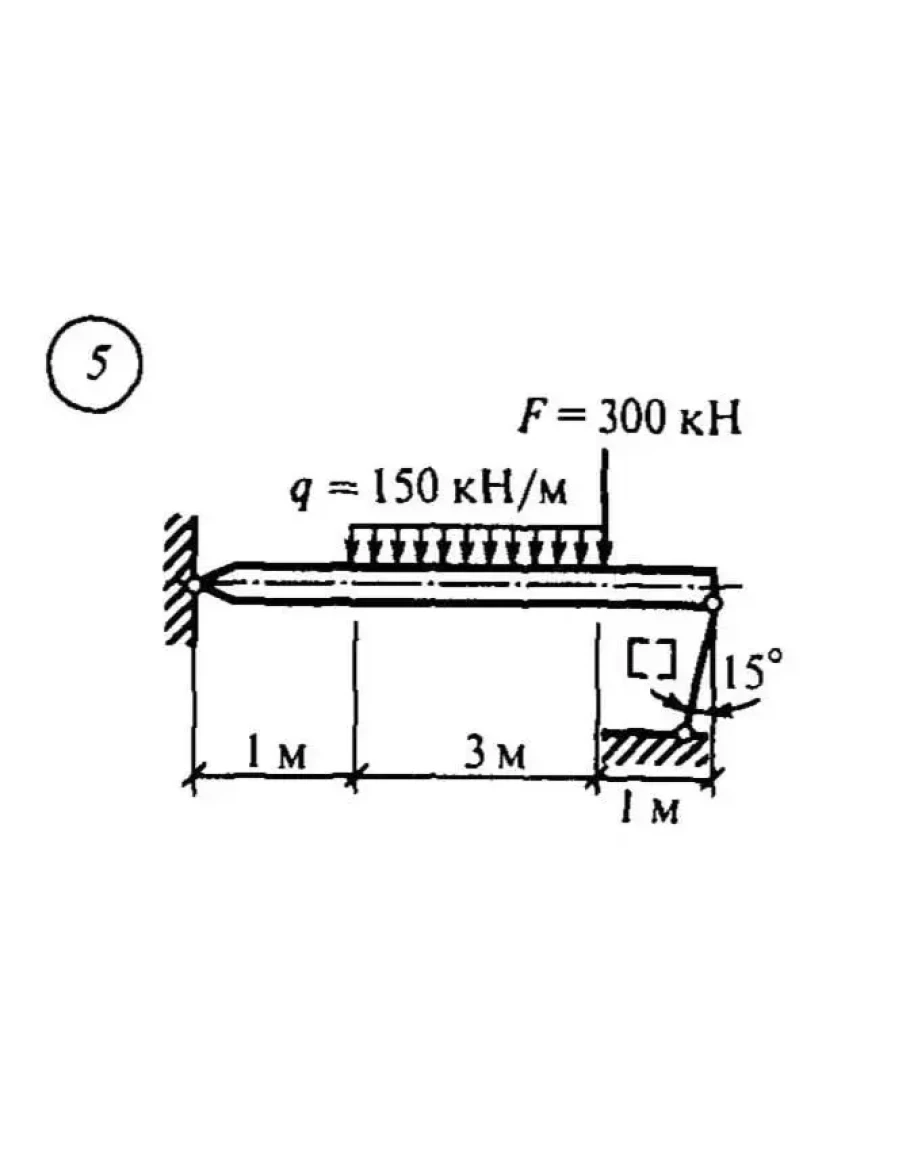
Подбор сечения стержня-подвески (или колонны), поддерживающего брус АВ. Решение выполнено в соответствии с требованиями из сборника.
Сборник В.И. Сеткова (стр. 34).
Сборник В.И. Сеткова (стр. 34).
Самостоятельная работа 4. Вариант 5
- Продавец: prosto-igor
- Модель: 2037753
- Наличие: Есть в наличии
-
139р.




