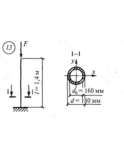
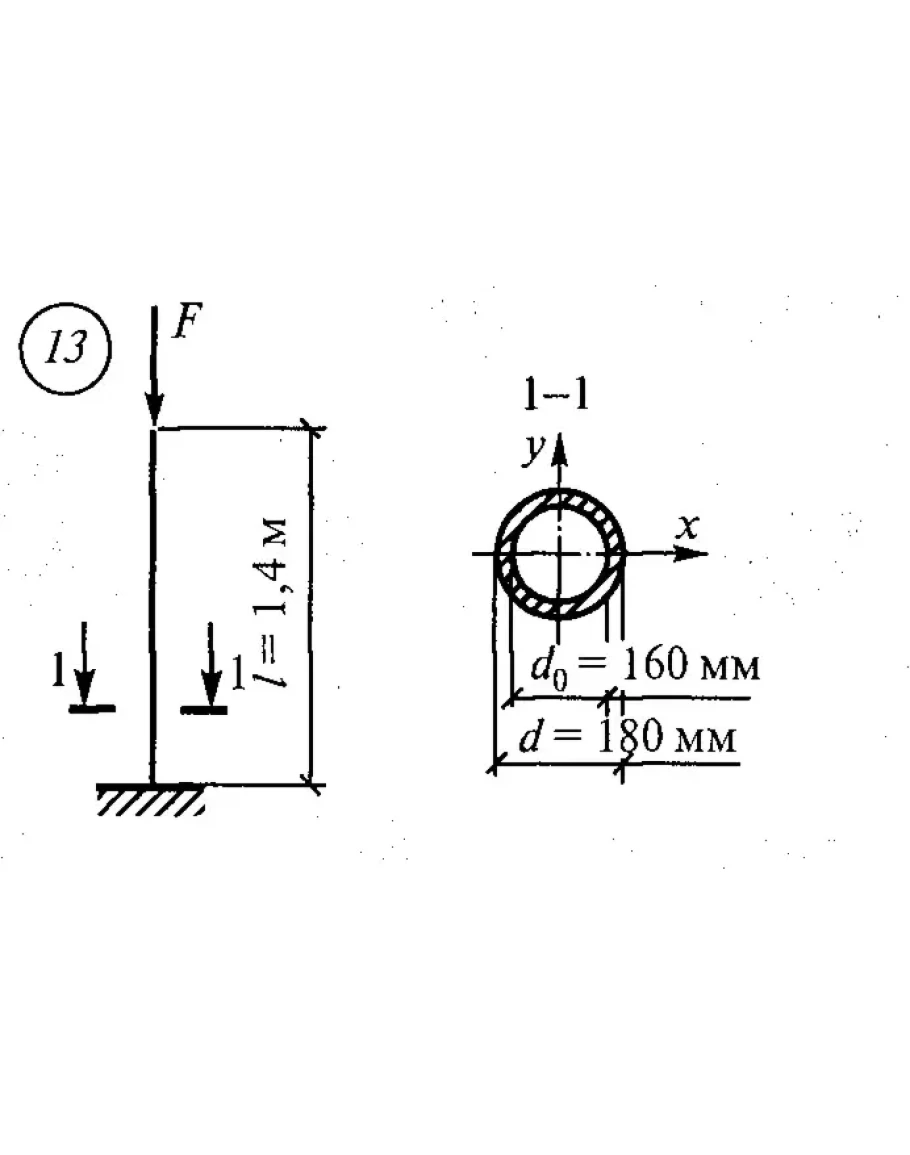
Определение величины допускаемого значения центрально-сжимающей силы.
Решение выполнено в соответствии с требованиями из сборника.
Сборник В.И. Сеткова (стр. 56).
Решение выполнено в соответствии с требованиями из сборника.
Сборник В.И. Сеткова (стр. 56).
Самостоятельная работа 7. Вариант 13
- Продавец: prosto-igor
- Модель: 2572148
- Наличие: Есть в наличии
-
137р.




