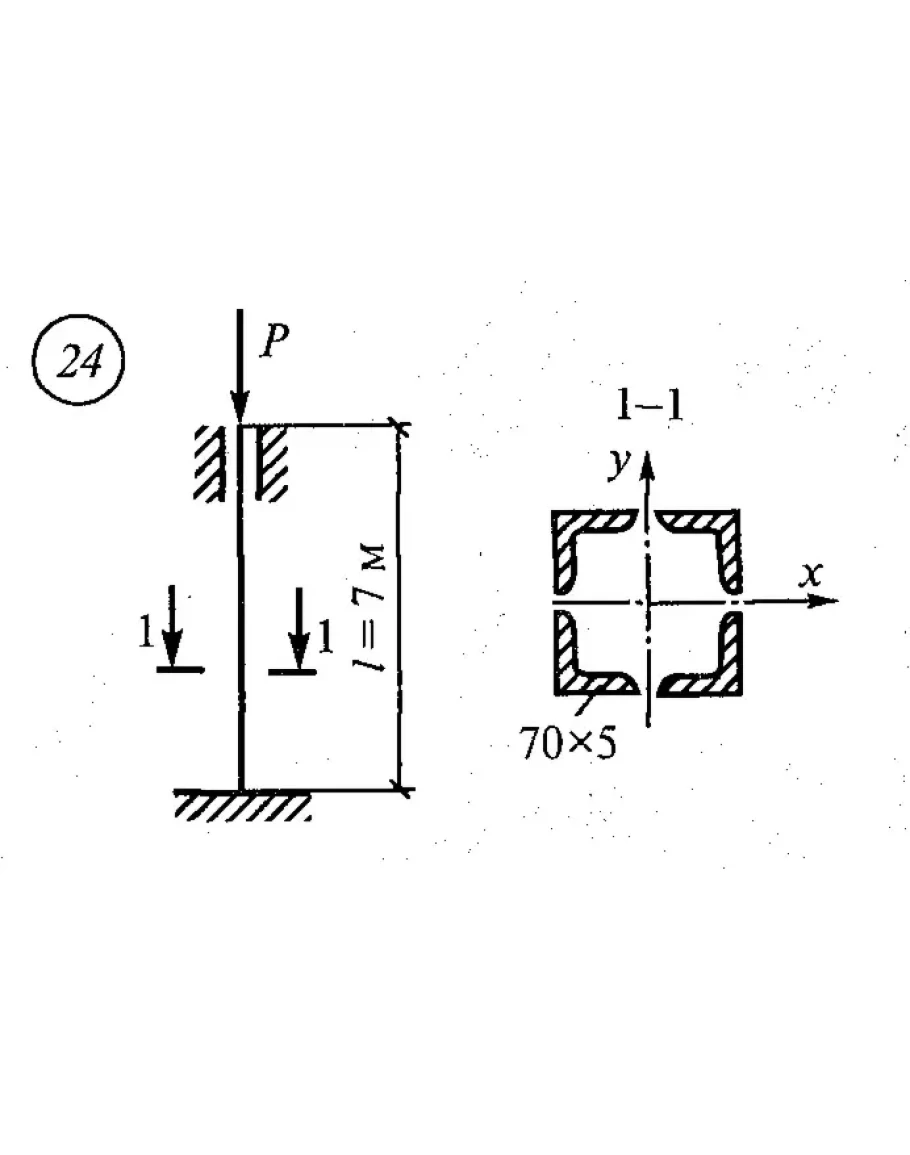
Определение величины допускаемого значения центрально-сжимающей силы.
Решение выполнено в соответствии с требованиями из сборника.
Сборник В.И. Сеткова (стр. 56).
Решение выполнено в соответствии с требованиями из сборника.
Сборник В.И. Сеткова (стр. 56).
Самостоятельная работа 7. Вариант 24
- Продавец: prosto-igor
- Модель: 2572164
- Наличие: Есть в наличии
-
139р.




