Stud-Shop
Задача 011006-0101-0002 v (решение от ElektroHelp). Расчет цепи постоянного тока.
Для электрической цепи определить:1. Токи в ветвях методом преобразований (схему упрощают путем заме..
102р.
Задача 011013-0113-0001 (решение от ElektroHelp). Расчет цепи постоянного тока.
Для электрической цепи определить эквивалентное (входное) сопротивление цепи относительно зажимов ис..
161р.
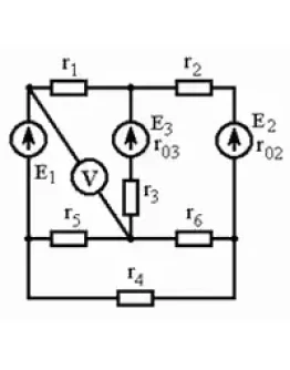
Задача 013006-0000-0001 (решение от ElektroHelp). Расчет сложной цепи постоянного тока.
1. Составить систему уравнений, необходимых для определения токов по первому и второму законам Кирхг..
161р.
Задача 02100111-0000-0008 (Решение от Elektrohelp).
Для последовательной цепи переменного тока промышленной частоты, содержащей активный R и реактивные ..
93р.
Задача 02100111-0200-0002 (решение от ElektroHelp). Параллельное соединение R, L, C.
В электрическую цепь, состоящую из источника гармонической ЭДС и параллельно соединенных элементов –..
94р.
Задача 031444-0000-0002 (решение от ElektroHelp). Трехфазная цепь при соединении звездой.
Uл=380 B, ra=8 Ом, rb=8 Ом, rc=8 Ом, xa=6 Ом, xb=6 Ом, xc=6 Ом.Определить фазные и линейные токи, то..
94р.
Задача 052310-0200-0001 (решение от ElektroHelp). Переходные процессы. 2 метода расчета.
В электрической цепи в результате коммутации возникает переходный процесс. Постоянная ЭДС источника ..
189р.
Задача 068110-0100-0001 (решение от ElektroHelp). Построение АЧХ и ФЧХ четырехполюсника.
Определить зависимость коэффициента передачи четырехполюсника по напряжению от частоты в режиме холо..
120р.
Задача 12500-0300-0001 (решение от ElektroHelp)
Для освещения рабочих мест в целях безопасности применили лампы накаливания пониженного напряжения. ..
93р.
Задача 13221-1517-0001 (решение от ElektroHelp)
Рассчитать многопредельный шунт к измерительному механизму на предел измерения токов (М) А. Сопротив..
93р.









