Решение задачи К4 Вариант 40 из решебника по теоретической механике к задачнику Тарг С.М. 1982 года.
Тема задачи К4 - Сложное движение точки.
Проверьте условие к задаче К4 (Стр. 44-49, задачник Тарг С.М. 1982 г):
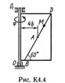
Прямоугольная пластина (рис. К4.0 — К4.4) или круглая пластина радиуса R = 60 см (рис. К4.5 — К4.9) вращается вокруг неподвижной оси по закону φ = f1(t), заданному в табл. К4. Положительное направление отсчета угла φ показано на рисунках дуговой стрелкой. На рис. 0, 1, 2, 5, 6 ось вращения перпендикулярна плоскости пластины и проходит через точку О (пластина вращается в своей плоскости); на рис. 3, 4, 7, 8, 9 ось вращения OO1 лежит в плоскости пластины (пластина вращается в пространстве)
По пластине вдоль прямой BD (рис. 0—4) или по окружности радиуса R (рис. 5—9) движется точка М; закон ее относительного движения, т. е. зависимость s = AM = f2(t) (s выражено в сантиметрах, t — в секундах), задан в таблице отдельно для рис. 0—4 и для рис. 5—9; там же даны размеры b и l. На рисунках точка М показана в положении, при котором s = АМ>0 (при s<0 точка М находится по другую сторону от точки А).
Найти абсолютную скорость и абсолютное ускорение точки М в момент времени t1 = 1 с.
Тема задачи К4 - Сложное движение точки.
Проверьте условие к задаче К4 (Стр. 44-49, задачник Тарг С.М. 1982 г):
Прямоугольная пластина (рис. К4.0 — К4.4) или круглая пластина радиуса R = 60 см (рис. К4.5 — К4.9) вращается вокруг неподвижной оси по закону φ = f1(t), заданному в табл. К4. Положительное направление отсчета угла φ показано на рисунках дуговой стрелкой. На рис. 0, 1, 2, 5, 6 ось вращения перпендикулярна плоскости пластины и проходит через точку О (пластина вращается в своей плоскости); на рис. 3, 4, 7, 8, 9 ось вращения OO1 лежит в плоскости пластины (пластина вращается в пространстве)
По пластине вдоль прямой BD (рис. 0—4) или по окружности радиуса R (рис. 5—9) движется точка М; закон ее относительного движения, т. е. зависимость s = AM = f2(t) (s выражено в сантиметрах, t — в секундах), задан в таблице отдельно для рис. 0—4 и для рис. 5—9; там же даны размеры b и l. На рисунках точка М показана в положении, при котором s = АМ>0 (при s<0 точка М находится по другую сторону от точки А).
Найти абсолютную скорость и абсолютное ускорение точки М в момент времени t1 = 1 с.





