Steamurai
Перейти в каталог
Категории
Главная
Товары
Акции
Контакты
О нас
Продавец
Юрий Физик
Задача 11213.
Описание
Отзывов (0)
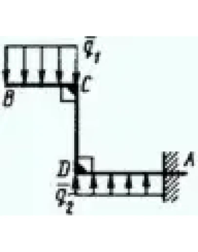
На изогнутую балку АВ, заделанную в стену, действуют распределенные нагрузки интенсивностью q1 = 5 Н/м и q2 = 3 Н/м. Определить момент заделки, если длины ВС = 3 м, AD = 5 м.
Написать отзыв
Ваше имя:
Ваш отзыв:
Примечание:
HTML разметка не поддерживается! Используйте обычный текст.
Оценка:
Плохо
Хорошо
Продолжить
Задача 11213.
Продавец:
Юрий Физик
Модель: 2907263
Наличие: Есть в наличии
102р.
Купить
0 отзывов
/
Написать отзыв
Рекомендуемые
🔵BATTLEFIELD 6 PS5 ВЫБОР РЕГИОНА БЫСТРО!🎁
5699р.
Купить
✅MORTAL KOMBAT 1 KHAOS REIGNS EXPANSION❤️XBOX🔑КЛЮЧ✅
1344р.
Купить
✅ Marvel's Spider-Man 2 - STEAM КЛЮЧ 🔑 СНГ (Без РФ)
3360р.
Купить
・Hogwarts Legacy + 450 игр + ПОДАРОК・ПК・НА ВАШ АККАУНТ・
99р.
Купить