Юрий Физик
Задача 11220.
Однородная квадратная пластина весом 1 Н закреплена в вертикальной плоскости на трех опорах. Определ..
102р.
Задача 11221.
Лестница 1 весом G = 2 кН удерживается в горизонтальном положении с помощью силового гидроцилиндра 2..
101р.
Задача 11222.
Кузов 1 весом G = 10 кН удерживается в равновесии силовым гидроцилиндром 2. Определить в кН силу, де..
101р.
Задача 11223.
На консольную балку АВ, заделанную в стену, действуют сила А = 4 Н и пара сил с моментом М = 2 Н*м. ..
101р.
Задача 11224.
Определить момент в заделке А, если F1 = 50 Н, F2 = 100 Н, размеры АВ = ВС = 2 м...
102р.
Задача 11225.
Определить силу F, при которой момент в заделке А равен 3700 Н*м, если интенсивность распределенной ..
102р.
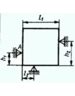
Задача 11226.
Определить в кН*м момент в заделке А, если сила F = 80 кН, угол а = 30°, расстояния l1 = 1,8 м, l2 =..
104р.
Задача 11227.
Определить интенсивность q распределенной нагрузки, при которой момент в заделке А равен 480 Н*м, ес..
91р.
Задача 20004.
Какой объем занимает смесь газов – азота массой M1=1 кг и гелия массой M2=1 кг – при нормальных усло..
101р.
Задача 20005.
В баллоне емкостью 0,8 м^3 находится 2 кг водорода и 2,9 кг азота. Определить давление смеси, если т..
101р.
Задача 20006.
Определить коэффициент диффузии азота при давлении 0,5*10^5 Па и температуре 127 °С...
101р.
Задача 20007.
При каком процессе выгоднее производить нагревание 2 молей аргона на 100 К: а) изобарическом; б) изо..
101р.
Задача 20008.
Найти изменение энтропии при плавлении 2 кг свинца и дальнейшем его охлаждении от 327 до 0 °С...
101р.
Задача 20010.
В баллоне находится газ при температуре T1=400 К. До какой температуры T2 надо нагреть газ, чтобы ег..
101р.
Задача 20015.
Идеальный газ совершает цикл Карно. Температура T1 теплоотдатчика в четыре раза больше температуры т..
100р.












