В мастерской дистанции пути требуется заземлить электрическое оборудование. Электрическая сеть имеет глухозаземленную нейтраль напряжением 380 В. Естественные заземлители отсутствуют.
Исходные данные для расчета принять в соответствии с табл. 7.
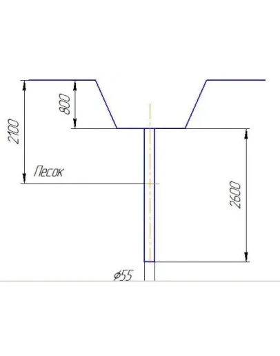
Глубина покрытия грунтом вертикальных электродов h = 0,8 см
Климатическая зона III
Длина вертикального электрода L = 2,6, м
Наружный диаметр электрода d = 0,055м
Ширина объединяющей стальной полосы, b = 0,06м
Род грунта на месте устройства заземлителя – песок
Исходные данные для расчета принять в соответствии с табл. 7.
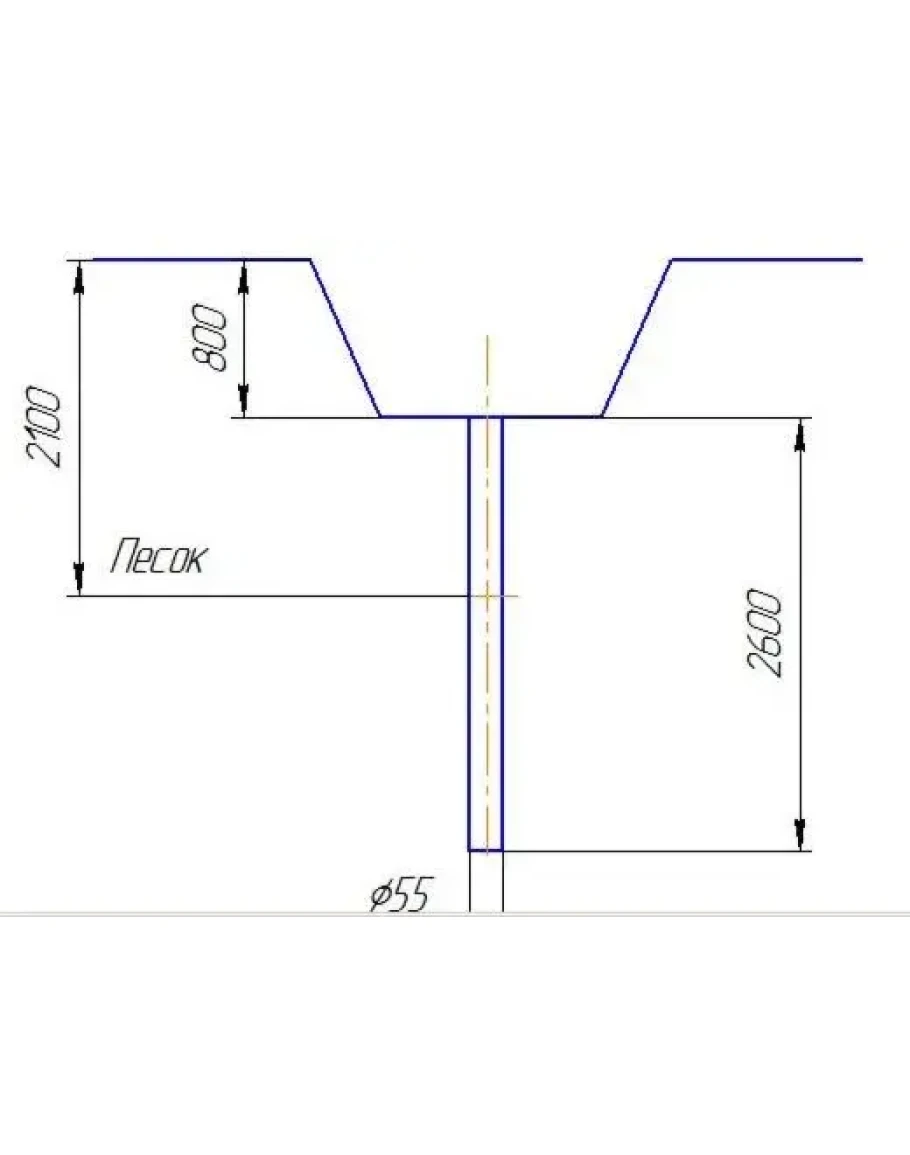
Глубина покрытия грунтом вертикальных электродов h = 0,8 см
Климатическая зона III
Длина вертикального электрода L = 2,6, м
Наружный диаметр электрода d = 0,055м
Ширина объединяющей стальной полосы, b = 0,06м
Род грунта на месте устройства заземлителя – песок




