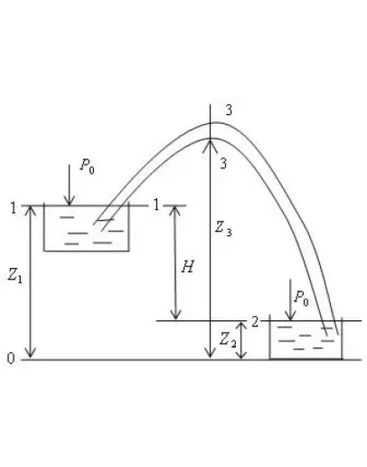
Определить вакуум в верхней точке сифона на высоте Z = 27м и найти расход воды в трубе диаметром d1 = 100мм, если свободные поверхности воды в резервуарах расположены на высоте Н1 =25 м и Н2 = 20м по отношению к плоскости сравнения 0-0. Длины участков соответственно равны l1 =200м и l2 = 200м. При расчете принять Местные гидравлические потери не учитывать.




