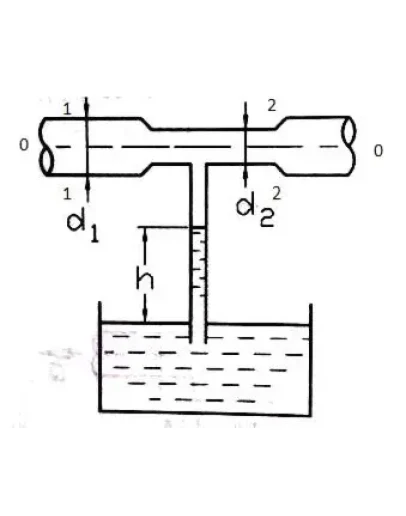
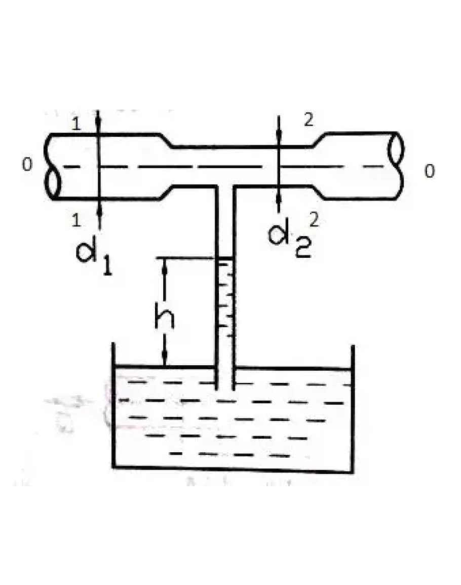
По трубопроводу, имеющему сужение, протекает вода расходом Q (рис. 3.16). Определить, какой диаметр d2 должна иметь узкая часть трубопровода, чтобы обеспечить засасывание воды из резервуара на высоту h, если известны d1 и р1.
Исходные данные
Q = 12 дм³/с
h = 3мм
d1 =90 мм
р1 = 40 кПа
Исходные данные
Q = 12 дм³/с
h = 3мм
d1 =90 мм
р1 = 40 кПа




