Чертеж общего вида и 3D модели зажима дифференциального ЗД.31.00.00.
Также приложены 3D модели и рабочие чертежи следующих деталей:
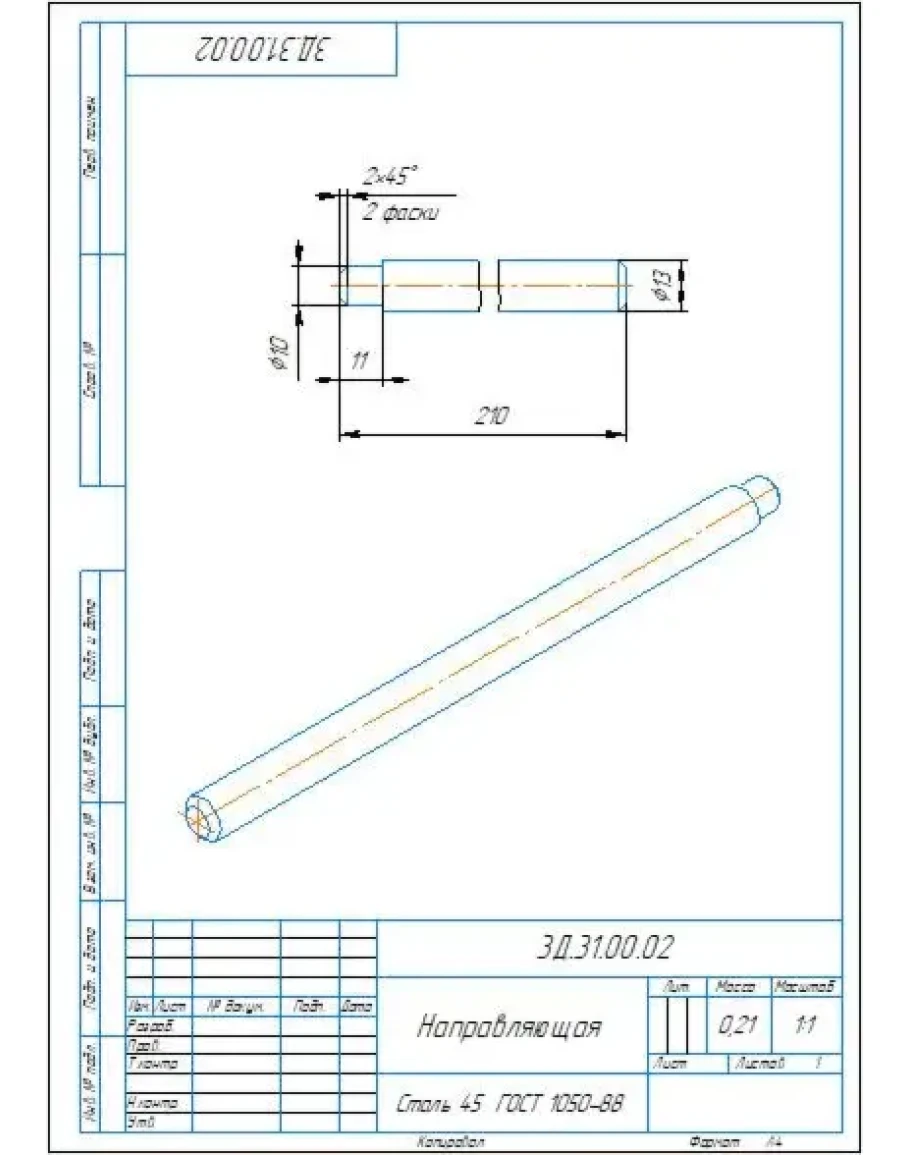
3Д.31.00.02 - направляющая;
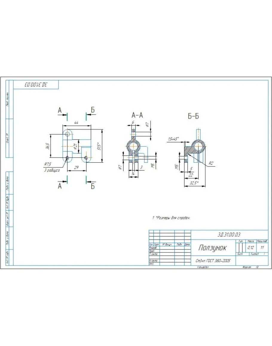
3Д.31.00.03 - ползунок;
3Д.31.00.04 - станина;
3Д.31.00.08 - зажим;
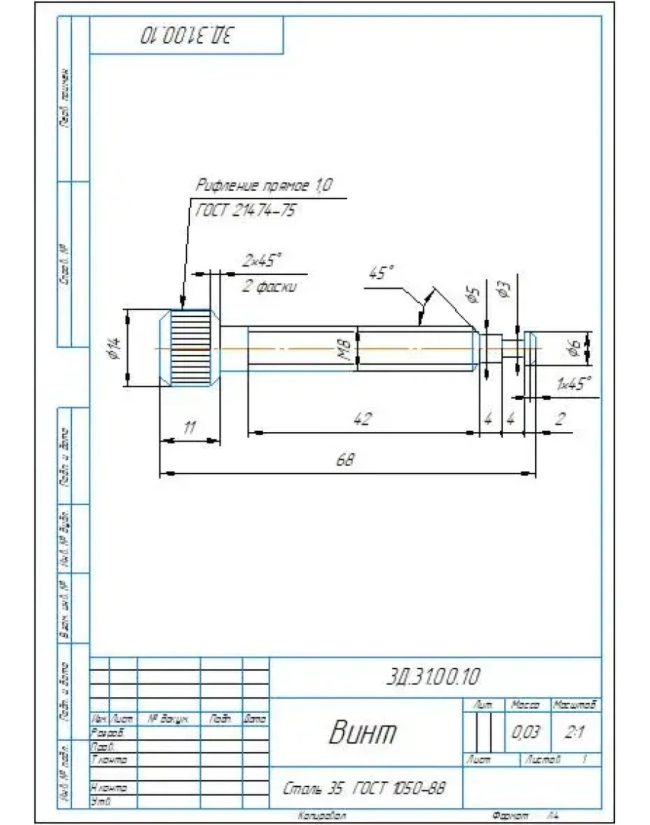
3Д.31.00.10 - винт.
Только 3D модели следующих деталей:
3Д.31.00.01 - основание;
3Д.31.00.05 - винт фиксирующий;
3Д.31.00.06 - винт фиксирующий;
3Д.31.00.07 - винт фиксирующий;
3Д.31.00.09 - ползунок;
3Д.31.00.11 - планка направляющая.
Чертежи и модели выполнены в программе Компас 3D
Также приложены 3D модели и рабочие чертежи следующих деталей:
3Д.31.00.02 - направляющая;
3Д.31.00.03 - ползунок;
3Д.31.00.04 - станина;
3Д.31.00.08 - зажим;
3Д.31.00.10 - винт.
Только 3D модели следующих деталей:
3Д.31.00.01 - основание;
3Д.31.00.05 - винт фиксирующий;
3Д.31.00.06 - винт фиксирующий;
3Д.31.00.07 - винт фиксирующий;
3Д.31.00.09 - ползунок;
3Д.31.00.11 - планка направляющая.
Чертежи и модели выполнены в программе Компас 3D
ЗД.31.00.00 зажим дифференциальный, модели, чертежи
- Продавец: alexey_ktop
- Модель: 5449860
- Наличие: Есть в наличии
-
374р.















