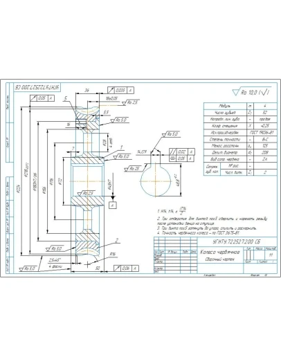
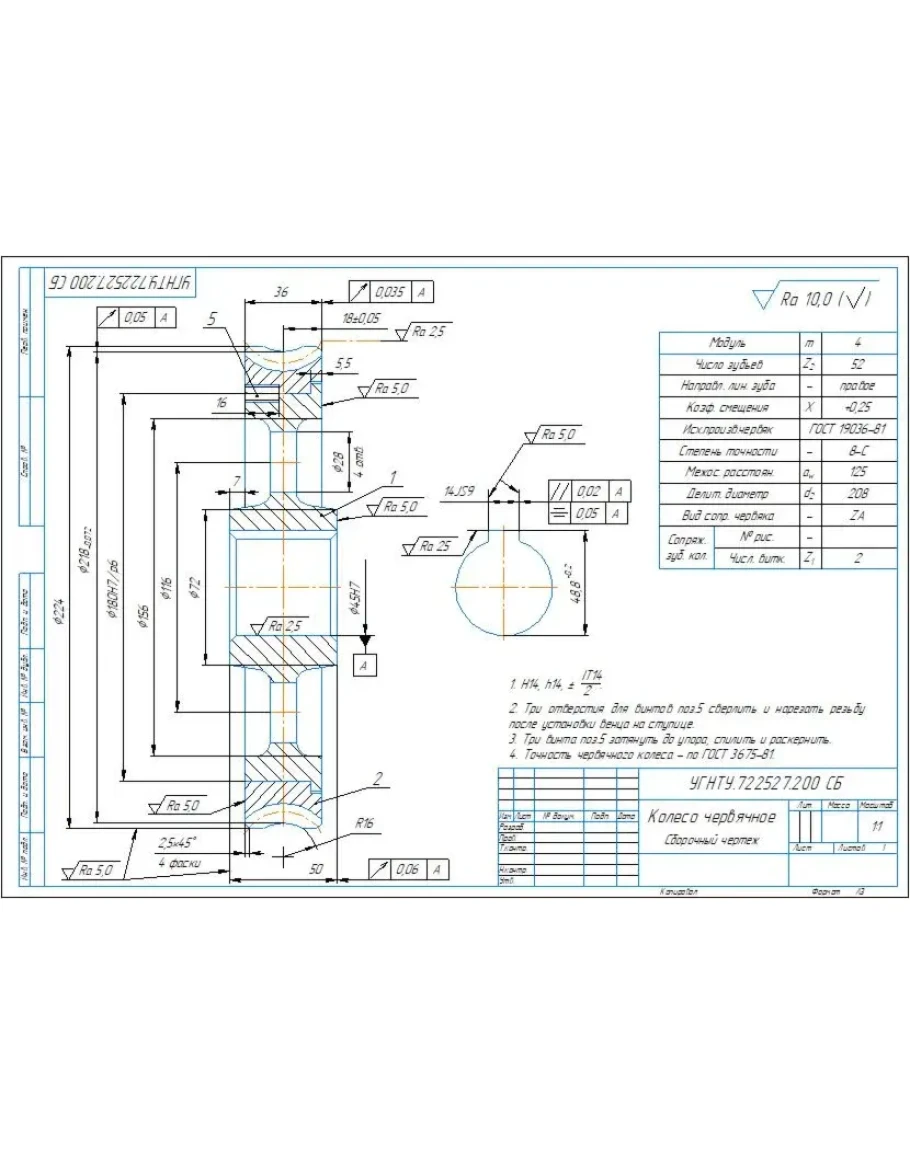
Сборочный чертеж и спецификация на колесо червячное с параметрами: модуль m=4 мм, число зубьев z=52 шт. Чертеж и спецификация выполнены в компасе.
Чертеж колесо червячное m4 z52 в компасе
- Продавец: alexey_ktop
- Модель: 5343497
- Наличие: Есть в наличии
-
182р.





