alexey_ktop
Чертеж калибра-пробки для контроля отверстия 5H7
Сборочный чертеж и спецификация калибра-пробки гладкой для контроля отверстия 5H7. Чертеж и специфик..
131р.
Чертеж калибра-пробки проходной для отверстия 95H9
Сборочный чертеж калибра-пробки проходной для контроля отверстия 95H9 мм..
161р.
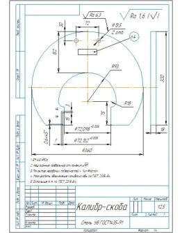
Чертеж калибра-скобы для контроля вала 72u8 в компасе
Рабочий чертеж калибра-скобы для контроля вала 72u8 в компасе..
108р.
Чертеж калибра-скобы для контроля вала d30f7 в компасе
Рабочий чертеж калибра-скобы для контроля размера вала d=30f7 в компасе. Чертеж выполнен в компасе..
108р.
Чертеж калибра-скобы для контроля вала d30h7
Рабочий чертеж калибра-скобы для контроля вала d=30h7..
108р.
Чертеж калибра-скобы для контроля размера вала 6,5h7
Рабочий чертеж калибра-скобы для контроля размера вала 6,5h7 мм..
107р.
Чертеж ключ электронный и спецификация в компасе
Чертеж и спецификация сборки ключ электронный в компасе версии 20...
108р.
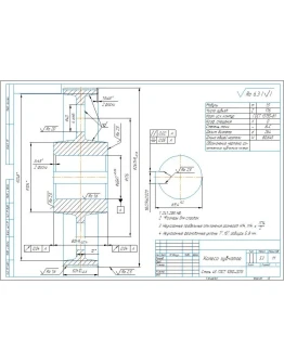
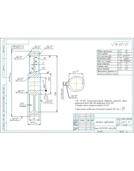
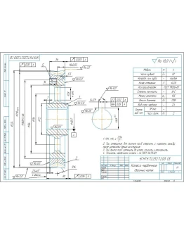
Чертеж колеса зубчатого косозубого в компасе
Рабочий чертеж детали "Колесо зубчатое косозубое" в компасе..
161р.
Чертеж колеса зубчатого прямозубого m2 z167
Рабочий чертеж детали колесо зубчатое с параметрами зубчатого венца: модуль m=2 мм, число зубьев z=1..
137р.
Чертеж колесо зубчатое косозубое m1,5 z176 в компасе
Рабочий чертеж колеса зубчатого прямозубого с параметрами зубчатого венца: модуль m=1,5 мм, число зу..
137р.
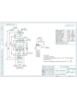
Чертеж колесо зубчатое косозубое m2 z66 в компасе
Рабочий чертеж колеса зубчатого косозубого с параметрами зубчатого венца: модуль m=2 мм, число зубье..
130р.
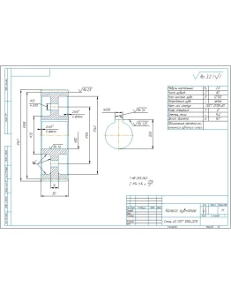
Чертеж колесо зубчатое косозубое m2 z82 в компасе
Рабочий чертеж колеса зубчатого косозубого с параметрами зубчатого венца: модуль m=2 мм, число зубье..
118р.
Чертеж колесо зубчатое прямозубое m8 z30 в компасе
Рабочий чертеж детали колесо зубчатое прямозубое с параметрами: модуль m=8 мм, число зубьев z=30 шт...
140р.
Чертеж колесо зубчатое редуктора Ц2У-250, m5 z77
Рабочий чертеж колеса зубчатого для редуктора Ц2У-250 с параметрами: модуль m=5 мм, число зубьев z=7..
164р.
Чертеж колесо червячное m4 z52 в компасе
Сборочный чертеж и спецификация на колесо червячное с параметрами: модуль m=4 мм, число зубьев z=52 ..
182р.












