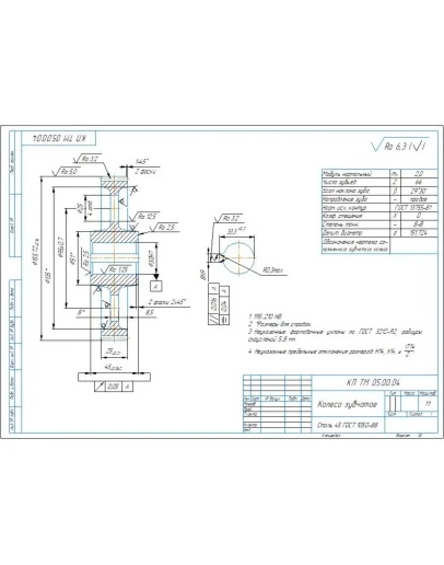
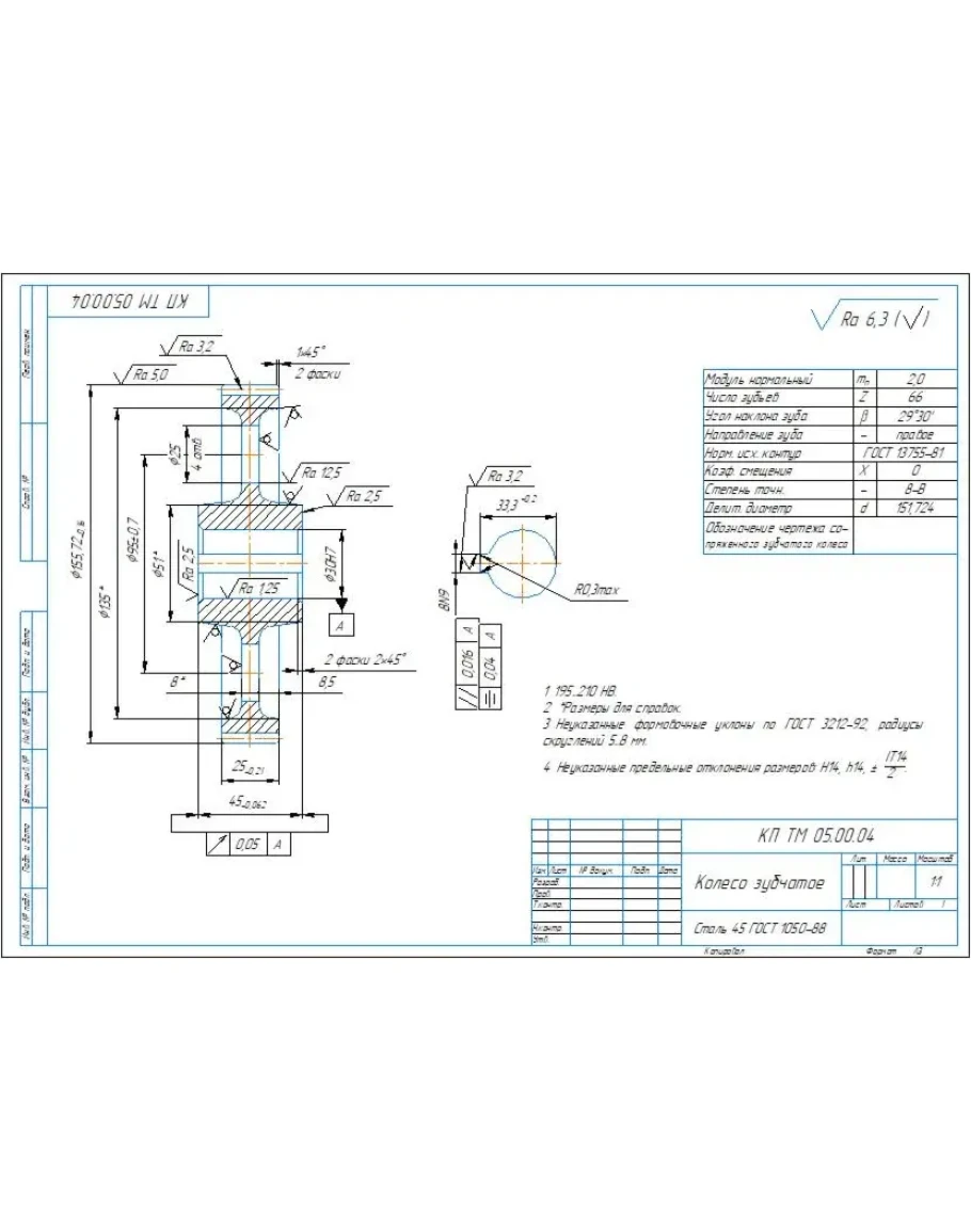
Рабочий чертеж колеса зубчатого косозубого с параметрами зубчатого венца: модуль m=2 мм, число зубьев z=66, угол наклона 29,5. Чертеж выполнен в компасе.
Чертеж колесо зубчатое косозубое m2 z66 в компасе
- Продавец: alexey_ktop
- Модель: 5341688
- Наличие: Есть в наличии
-
133р.




