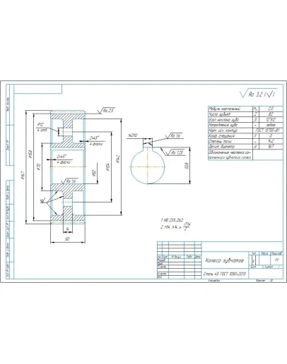
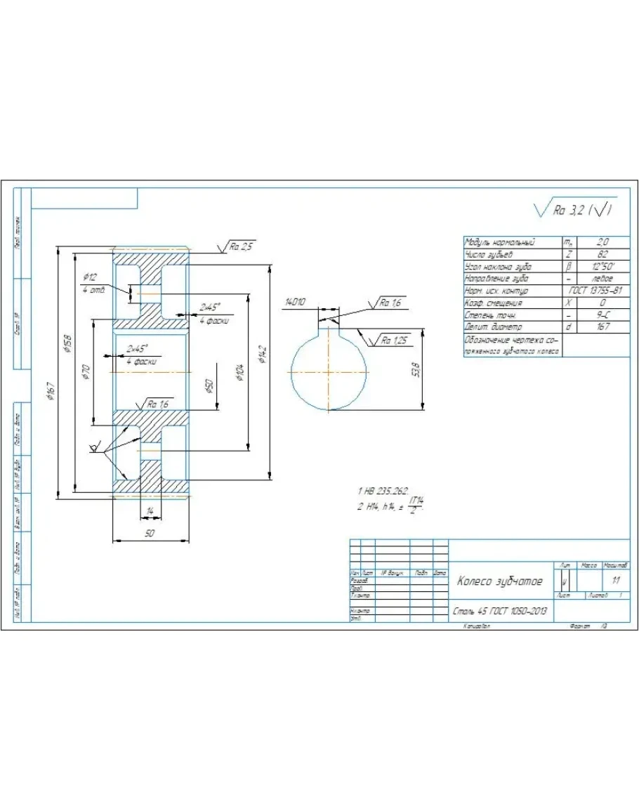
Рабочий чертеж колеса зубчатого косозубого с параметрами зубчатого венца: модуль m=2 мм, число зубьев z=82 шт., угол наклона зубчатого венца 12 градусов 50 минут. Чертеж выполнен в компасе
Чертеж колесо зубчатое косозубое m2 z82 в компасе
- Продавец: alexey_ktop
- Модель: 5345306
- Наличие: Есть в наличии
-
118р.




