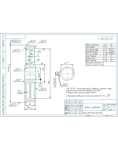
Рабочий чертеж колеса зубчатого для редуктора Ц2У-250 с параметрами: модуль m=5 мм, число зубьев z=77 шт. Чертеж выполнен в компасе
Чертеж колесо зубчатое редуктора Ц2У-250, m5 z77
- Продавец: alexey_ktop
- Модель: 5306844
- Наличие: Есть в наличии
-
164р.




