Massimo86
Решение задачи по физике раздел 67 пункт 37 электро
37. В замкнутую цепь, состоящую из аккумулятора и резистора с сопротивлением 20 Ом, подключили вольт..
30р.
Решение задачи по физике раздел 67 пункт 38 электро
38. В цепь, состоящую из аккумулятора и резистора сопротивлением 10 Ом, включают вольтметр сначала п..
30р.
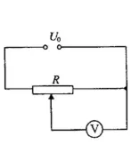
Решение задачи по физике раздел 67 пункт 39 электро
39. На рисунке сопротивление потенциометра R = 2000 Ом, внутреннее сопротивление вольтметра RV = 500..
30р.
Решение задачи по физике раздел 67 пункт 4 механика
4. Тонкий однородный стержень AB массы m = 1,0 кг движется поступательно с ускорением a = 2,0 м/с2 п..
30р.
Решение задачи по физике раздел 67 пункт 40 электро
40. К потенциометру с сопротивлением 4000 Ом приложена разность потенциалов 110 В (рис.). Между конц..
30р.
Решение задачи по физике раздел 67 пункт 41 электро
41. Какой должна быть ЭДС ε источника тока, чтобы напряженность электрического поля в плоском конден..
30р.
Решение задачи по физике раздел 67 пункт 42 электро
42. Определите, за какое время сила тока в проводнике равномерно нарастает от I0 = 0 до Imax = 3 А, ..
30р.
Решение задачи по физике раздел 67 пункт 43 электро
43. Определите длину прямого провода с током I = 10 А, если суммарный импульс электронов в проводе p..
30р.
Решение задачи по физике раздел 67 пункт 44 электро
44. Определите сопротивление проволочного каркаса, имеющего форму куба, если он включен в цепь между..
20р.
Решение задачи по физике раздел 67 пункт 45 электро
45. Плотность тока j в алюминиевом проводнике равна 1 А/мм2. Определите напряженность E электрическо..
30р.
Решение задачи по физике раздел 67 пункт 46 электро
46. Сила тока в проводнике сопротивлением R = 5 Ом равномерно возрастает от I0 = 0 до Imax = 3 А за ..
30р.
Решение задачи по физике раздел 67 пункт 47 электро
47. Определите тепловую мощность тока ω, если плотность j электрического тока в алюминиевом проводе ..
30р.
Решение задачи по физике раздел 67 пункт 48 электро
48. Определите ток короткого замыкания Iкз, если при замыкании источника ЭДС на внешнее сопротивлени..
30р.
Решение задачи по физике раздел 67 пункт 49 электро
49. В цепь, состоящую из источника ЭДС и резистора сопротивлением R = 10 Ом, включают вольтметр, соп..
30р.
Решение задачи по физике раздел 67 пункт 5 механика
5. Диск вращается вокруг неподвижной оси так, что зависимость линейной скорости точек, лежащих на об..
30р.








