Massimo86
Решение задачи по физике раздел 68 пункт 28 электро
28. Определить плотность тока в волоске лампы накаливания диаметром 0,02 мм, если лампа рассчитана н..
30р.
Решение задачи по физике раздел 68 пункт 29 электро
29. Какова плотность тока в волоске электролампы, если сила тока 0,25 А, и диаметр волоска 0,02 мм?..
20р.
Решение задачи по физике раздел 68 пункт 3 электро
3. Три точечных заряда Q1 = 32 нКл, Q2 = 45 нКл и Q3 = −11 нКл находятся в вакууме и расположены вдо..
30р.
Решение задачи по физике раздел 68 пункт 30 электро
30. Определить плотность тока в волоске лампы накаливания, если величина тока 0,25 А, а диаметр воло..
20р.
Решение задачи по физике раздел 68 пункт 31 электро
31. Какова плотность тока в волоске лампы накаливания, если сила тока 0,125 А, а диаметр волоска 0,0..
20р.
Решение задачи по физике раздел 68 пункт 32 электро
32. Определить напряжение, которое нужно подать на катушку с 1000 витками медного провода, если диам..
30р.
Решение задачи по физике раздел 68 пункт 33 электро
33. Какое напряжение надо приложить к катушке, имеющей 1000 витков медной проволоки со средним диаме..
30р.
Решение задачи по физике раздел 68 пункт 34 электро
34. Какое напряжение можно приложить к катушке имеющей 1000 витков медного провода с сечением 1 мм2 ..
30р.
Решение задачи по физике раздел 68 пункт 35 электро
35. Какое наибольшее напряжение можно приложить к катушке, имеющей N витков медного провода со средн..
30р.
Решение задачи по физике раздел 68 пункт 36 электро
36. На катушку намотано 800 витков медного провода и подано напряжение 6 В Определить плотность тока..
30р.
Решение задачи по физике раздел 68 пункт 37 электро
37. В синхротроне электроны движутся по приближённо круговой орбите длины 240 м. Во время цикла уско..
30р.
Решение задачи по физике раздел 68 пункт 38 электро
38. Определить среднюю скорость направленного движения электронов медного проводника при плотности п..
30р.
Решение задачи по физике раздел 68 пункт 39 электро
39. По медному проводнику течет ток. Плотность тока j = 6 А/мм2. Определите среднюю скорость υ упоря..
30р.
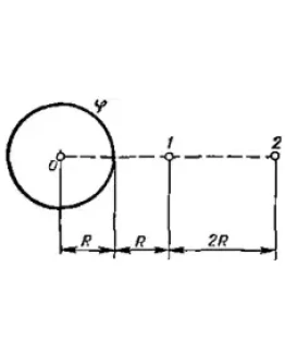
Решение задачи по физике раздел 68 пункт 4 электро
4. Электрическое поле создано заряженным проводящим шаром, потенциал φ которого 300 В. Определить ра..
30р.
Решение задачи по физике раздел 68 пункт 40 электро
40. Какова средняя скорость направленного движения электронов в медных проводах при максимально допу..
30р.






