18.3.22
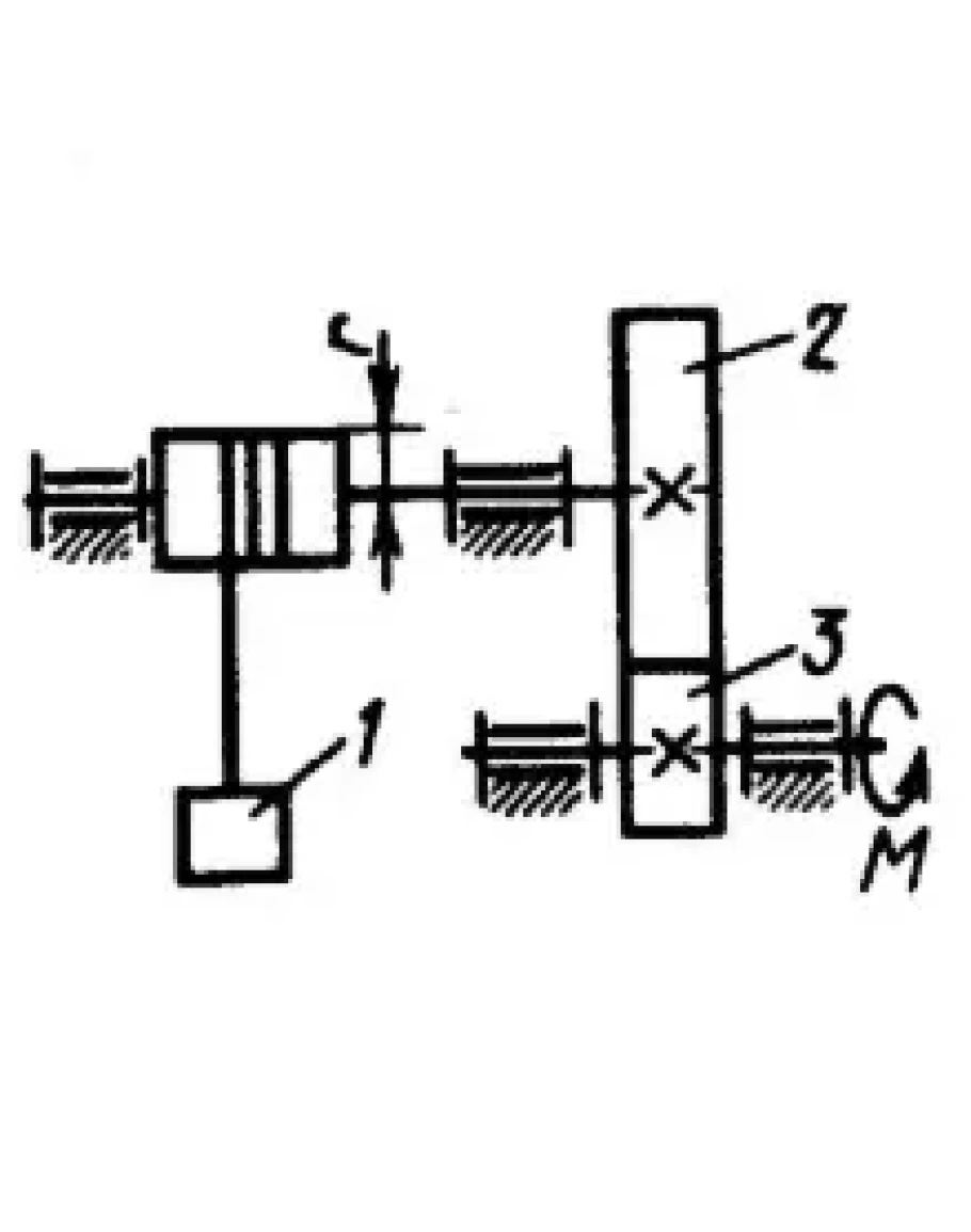
Определить момент М пары сил, который необходимо приложить к валу зубчатого
колеса 3 для равномерного подьема груза 1 весом 900Н. Радиус барабана r = 0,2 м, числа
зубьев колес z2 = 2z3. (Ответ 90)
Определить момент М пары сил, который необходимо приложить к валу зубчатого
колеса 3 для равномерного подьема груза 1 весом 900Н. Радиус барабана r = 0,2 м, числа
зубьев колес z2 = 2z3. (Ответ 90)
Решение задачи 18.3.22 из сборника Кепе О.Э.
- Продавец: Михаил_Перович
- Модель: 1804639
- Наличие: Есть в наличии
-
68р.




