Михаил_Перович
Решение задачи 18.3.16 из сборника Кепе О.Э.
18.3.16Найти модуль уравновешивающей силы F, если к стержню 1 стержневого механизма приложена сила F..
67р.
Решение задачи 18.3.17 из сборника Кепе О.Э.
18.3.17Стержни АВ и CD, соединенные между собой и с неподвижным основанием шарнирами, нагружены сила..
60р.
Решение задачи 18.3.18 из сборника Кепе О.Э.
18.3.18С помощью гидроцилиндра 1 удерживается в равновесии стрела 2, на конце которой приложена верт..
60р.
Решение задачи 18.3.2 из сборника Кепе О.Э.
18.3.2Определить момент М пары сил, который необходимо приложить к барабану 2 радиуса r = 20 см для ..
60р.
Решение задачи 18.3.20 из сборника Кепе О.Э.
18.3.20На поршень 1 действует сила F = 250Н. Определить, с какой силой рычаг ABC прижимает деталь 2 ..
100р.
Решение задачи 18.3.21 из сборника Кепе О.Э.
18.3.21На шатун АВ шарнирного параллелограмма ОАВС надета втулка 2, к которой с помощью шарнира D пр..
60р.
Решение задачи 18.3.22 из сборника Кепе О.Э.
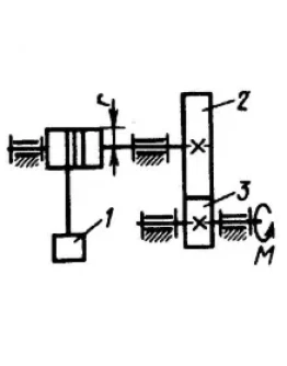
18.3.22Определить момент М пары сил, который необходимо приложить к валу зубчатого колеса 3 для равн..
68р.
Решение задачи 18.3.23 из сборника Кепе О.Э.
18.3.23Определить модуль момента М нары сил, который необходимо приложить к шкиву 3 для равномерного..
100р.
Решение задачи 18.3.25 из сборника Кепе О.Э.
18.3.25На винт 2 с шагом h = 1 см действует пара сил с моментом М = 1 Н • м. Определить силу давлени..
100р.
Решение задачи 18.3.3 из сборника Кепе О.Э.
18.3.3Определить усилие в стержне АС плоской фермы, если к узлу В приложена горизонтальная сила F = ..
68р.
Решение задачи 18.3.4 из сборника Кепе О.Э.
18.3.4Механизм, состоящий из зубчатых колес 1, 2 с числом зубьев z2 = 2z1 и барабана 3, жестко скреп..
60р.
Решение задачи 18.3.5 из сборника Кепе О.Э.
18.3.5К зубчатому колесу 1 приложена пара сил с моментом M1 = 40 Н • м. Определить момент М пары сил..
67р.
Решение задачи 18.3.6 из сборника Кепе О.Э.
18.3.6На тело 3 действует сила F = 460Н параллельно его плоскости опоры. Определить модуль силы давл..
60р.
Решение задачи 18.3.7 из сборника Кепе О.Э.
18.3.7На клин 3 действует сила F = 100Н. Определить с какой силой толкатель 2 прижимает деталь 1 к о..
60р.
Решение задачи 18.3.8 из сборника Кепе О.Э.
18.3.8Передаточное отношение червячной передачи лебедки равно 50. Определить модуль силы F, которую ..
60р.














