6.3.10
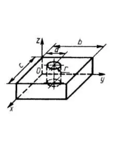
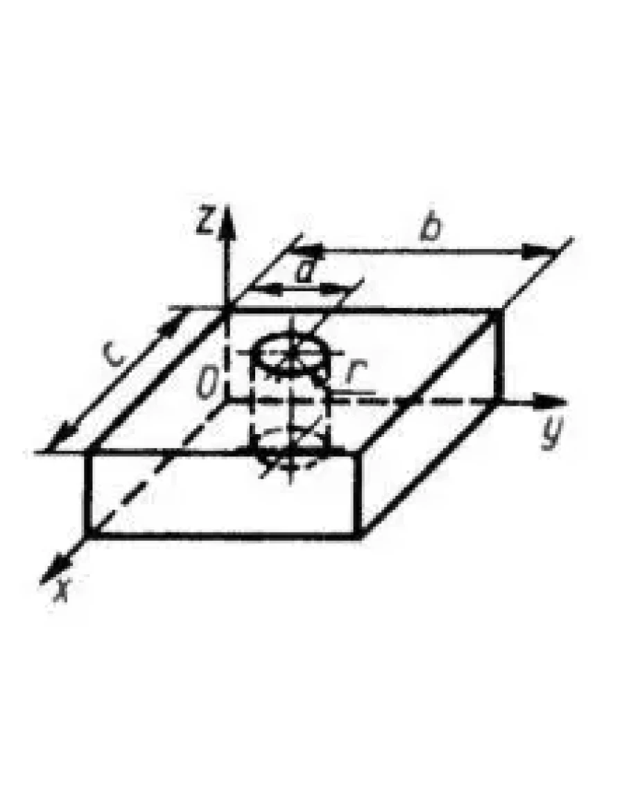
Определить координату ус центра тяжести однородного твердого тела, если даны следующие размеры: r = 0,2 м, а = 0,5 м, b = 1,5 м, с = 1,8 м. (Ответ 0,762)
Определить координату ус центра тяжести однородного твердого тела, если даны следующие размеры: r = 0,2 м, а = 0,5 м, b = 1,5 м, с = 1,8 м. (Ответ 0,762)
Решение задачи 6.3.10 из сборника Кепе О.Э.
- Продавец: Михаил_Перович
- Модель: 1813766
- Наличие: Есть в наличии
-
100р.




