Михаил_Перович
Решение задачи 6.1.9 из сборника Кепе О.Э.
6.1.9Однородная проволока, согнутая в виде полуокружности, подвешена, как показано на рисунке. Опред..
100р.
Решение задачи 6.2.1 из сборника Кепе О.Э.
6.2.1Определить в см координату хс центра тяжести однородной пластины, которая имеет вид прямоугольн..
100р.
Решение задачи 6.2.10 из сборника Кепе О.Э.
6.2.10Из однородной пластины в виде треугольника ОАВ с основанием ОВ = 60 см и высотой ОА = 45 см вы..
100р.
Решение задачи 6.2.11 из сборника Кепе О.Э.
6.2.11Определить статический момент в см3 площади однородного полукруга радиусом r = 5 см относитель..
60р.
Решение задачи 6.2.4 из сборника Кепе О.Э.
6.2.4Однородная пластина ABDE имеет вид ромба со стороной b = 0,2 м. Определить координату ус центр..
60р.
Решение задачи 6.2.6 из сборника Кепе О.Э.
6.2.6Определить координату xc центра тяжести площади кругового сектора ОАВ, если радиус r = 0,6 м, а..
60р.
Решение задачи 6.2.7 из сборника Кепе О.Э.
6.2.7Однородная пластина ABC в виде полукруга подвешена за вершину А. Определить в градусах угол а..
60р.
Решение задачи 6.2.8 из сборника Кепе О.Э.
6.2.8Определить координату хс центра тяжести заштрихованной площади фигуры, если радиус r = 2 м. (От..
60р.
Решение задачи 6.2.9 из сборника Кепе О.Э.
6.2.9Определить координату центра тяжести ус заштрихованной площади фигуры, если даны радиусы окружн..
60р.
Решение задачи 6.3.1 из сборника Кепе О.Э.
6.3.1Определить расстояние от центра тяжести однородной пирамиды до ее основания, если высота пирами..
100р.
Решение задачи 6.3.10 из сборника Кепе О.Э.
6.3.10Определить координату ус центра тяжести однородного твердого тела, если даны следующие размер..
100р.
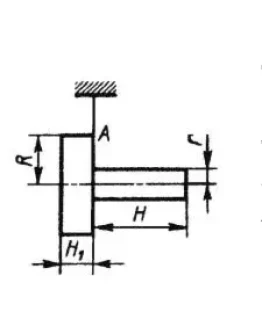
Решение задачи 6.3.11 из сборника Кепе О.Э.
6.3.11Определить высоту Н однородного конуса, при которой ось симметрии тела, состоящего из конуса и..
100р.
Решение задачи 6.3.12 из сборника Кепе О.Э.
6.3.12Определить высоту Н однородного цилиндра, при которой ось симметрии тела, состоящего из двух..
60р.
Решение задачи 6.3.13 из сборника Кепе О.Э.
6.3.13Определить координату zc центра тяжести однородного тела, состоящего из конуса и цилиндра, есл..
100р.
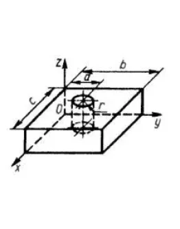
Решение задачи 6.3.14 из сборника Кепе О.Э.
6.3.14Определить координату zc центр тяжести однородного тела, состоящего из прямоугольного паралле..
100р.














