Михаил_Перович
Решение задачи 14.1.16 из сборника Кепе О.Э.
14.1.16Определить модуль главного вектора внешних сил, действующих на шатун АВ кривошипно-ползунного..
100р.
Решение задачи 14.1.17 из сборника Кепе О.Э.
14.1.17Определить проекцию ускорения центра масс С механической системы на ось Оу в момент времени, ..
100р.
Решение задачи 14.1.18 из сборника Кепе О.Э.
14.1.18Тело 1 массой 4 кг может двигаться по горизонтальной направляющей. На какое расстояние переме..
60р.
Решение задачи 14.1.19 из сборника Кепе О.Э.
14.1.19Тело 1 массой m1 = 0,7 кг может двигаться по горизонтальной направляющей. Определить модуль у..
100р.
Решение задачи 14.1.2 из сборника Кепе О.Э.
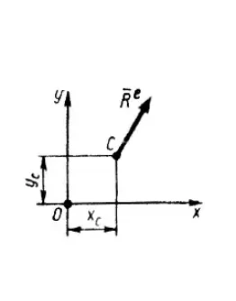
14.1.2Определить координату хс центра масс кривошипно-ползунного механизма при углах ? = 90о и ? = 3..
100р.
Решение задачи 14.1.20 из сборника Кепе О.Э.
14.1.20На тело 1 действует постоянная сила F = 10Н. Определить ускорение этого тела в момент времени..
100р.
Решение задачи 14.1.21 из сборника Кепе О.Э.
14.1.21Определить ускорение тела 1, скользящего но гладкой наклонной плоскости, если в горизонтальны..
100р.
Решение задачи 14.1.3 из сборника Кепе О.Э.
14.1.3Тело массой m = 2 кг движется по горизонтальным направляющим согласно закону s = 2t2 + 1. Опре..
100р.
Решение задачи 14.1.8 из сборника Кепе О.Э.
14.1.8Центр масс колеса С движется по окружности радиуса R = 1,3 м согласно закону s = 4t. Определит..
66р.
Решение задачи 14.1.9 из сборника Кепе О.Э.
14.1.9Кривошип 1 шарнирного параллелограмма вращается равномерно с угловой скоростью ?1 = 5 рад/с. О..
66р.
Решение задачи 14.2.1 из сборника Кепе О.Э.
14.2.1Постоянная по модулю и направлению сила действует на тело в течение 10 с. Найти модуль ее импу..
60р.
Решение задачи 14.2.11 из сборника Кепе О.Э.
14.2.11Трубка вращается с угловой скоростью ? = 10 рад/с. Относительно трубки движется шарик М массо..
100р.
Решение задачи 14.2.12 из сборника Кепе О.Э.
14.2.12Диск радиуса R = 0,4 м вращается с угловой скоростью ? = 25 рад/с. По ободу диска движется то..
60р.
Решение задачи 14.2.13 из сборника Кепе О.Э.
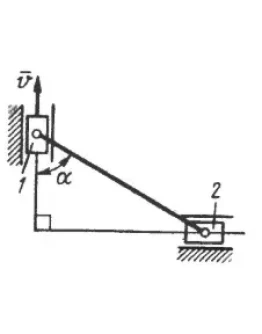
14.2.13Определить модуль количества движения ползуна 2, масса которого m2 = 1 кг, в момент времени, ..
67р.
Решение задачи 14.2.15 из сборника Кепе О.Э.
14.2.15Однородный стержень массой m = 10 кг и длиной l = 1 м вращается по закону ? = 5t2. Определить..
60р.














