Михаил_Перович
Решение задачи 14.2.16 из сборника Кепе О.Э.
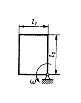
14.2.16Однородная прямоугольная пластина массой m = 12 кг вращается с угловой скоростью ? = 10 рад/с..
60р.
Решение задачи 14.2.17 из сборника Кепе О.Э.
14.2.17Центр масс колеса движется по окружности радиуса R = 2 м согласно закону s = 5 sin 2t. Опреде..
100р.
Решение задачи 14.2.18 из сборника Кепе О.Э.
14.2.18Шкив 2 радиуса R = 0,2м, вращаясь с угловой скоростью ? = 20 рад/с, поднимает однородный цили..
100р.
Решение задачи 14.2.19 из сборника Кепе О.Э.
14.2.19Определить проекцию на ось Оу вектора количества движения однородного стержня 2 массой m = 4 ..
100р.
Решение задачи 14.2.2 из сборника Кепе О.Э.
14.2.2Модуль постоянной по направлению силы изменяется по закону F = 5 + 9t2. Найти модуль импульса ..
60р.
Решение задачи 14.2.20 из сборника Кепе О.Э.
14.2.20Кривошип 1 длиной ОА = 0,2 м вращается с угловой скоростью ? = 20 рад/с. Определить модуль ко..
100р.
Решение задачи 14.2.21 из сборника Кепе О.Э.
14.2.21Кривошип 1 длиной ОА = 0,2 м вращается с угловой скоростью ? = 20 рад/с. Определить модуль ко..
100р.
Решение задачи 14.2.22 из сборника Кепе О.Э.
14.2.22Определить модуль количества движения однородного стержня длиной АВ = 1 м, массой m = 5 кг, с..
100р.
Решение задачи 14.2.23 из сборника Кепе О.Э.
14.2.23Определить модуль главного вектора количества движения системы двух материальных точек, массы..
100р.
Решение задачи 14.2.24 из сборника Кепе О.Э.
14.2.24Определить проекцию на ось Оу главного вектора количества движения системы двух материальных ..
100р.
Решение задачи 14.2.25 из сборника Кепе О.Э.
14.2.25Диск вращается с угловой скоростью ? = 8 рад/с. По радиусу диска движется точка М массой m = ..
60р.
Решение задачи 14.2.26 из сборника Кепе О.Э.
14.2.26Кривошип 2 длиной ОА = 1 м вращается с угловой скоростью ?2 = 10 рад/с. Относительно кривошип..
100р.
Решение задачи 14.2.27 из сборника Кепе О.Э.
14.2.27Определить модуль количества движения механической системы, если центр масс С цилиндра 1 движ..
100р.
Решение задачи 14.2.28 из сборника Кепе О.Э.
14.2.28Звено 1 длиной ОА = 1 м шарнирного параллелограмма ОАВО1 вращается с угловой скоростью ? = 20..
100р.
Решение задачи 14.2.3 из сборника Кепе О.Э.
14.2.3Модуль постоянной по направлению силы изменяется по закону, показанному на рисунке. Определить..
100р.














