Михаил_Перович
Решение задачи 18.2.10 из сборника Кепе О.Э.
18.2.10Определить отношение между возможными перемещениями ?sВ точки В барабана 1 и ?s2 груза 2 дифф..
100р.
Решение задачи 18.2.2 из сборника Кепе О.Э.
18.2.2Определить отношение между возможными перемещениями ??1зубчатого колеса 1 и ??2 зубчатого коле..
60р.
Решение задачи 18.2.3 из сборника Кепе О.Э.
18.2.3Определить отношение между возможными перемещениями ?? 1 клина 1 и ?? 2 клина 2. (Ответ 1,73)..
100р.
Решение задачи 18.2.4 из сборника Кепе О.Э.
18.2.4Определить отношение между возможными перемещениями ?? А и ?? В точек А и В шатуна АВ шарнирно..
60р.
Решение задачи 18.2.5 из сборника Кепе О.Э.
18.2.5Определить отношение между возможными угловыми перемещениями шатуна АВ и ?? кривошипа ОА, если..
100р.
Решение задачи 18.2.6 из сборника Кепе О.Э.
18.2.6Определить отношение между возможными перемещениями ?sA точки А кривошипа ОА и ?sc точки С пол..
60р.
Решение задачи 18.2.7 из сборника Кепе О.Э.
18.2.7Определить отношение между возможными перемещениями ?sA и ?sВ точек А и В шатуна АВ механизма ..
100р.
Решение задачи 18.2.8 из сборника Кепе О.Э.
18.2.8Определить отношение между возможными перемещениями ?sA точки А кривошипа 2 и ?sС точки С толк..
60р.
Решение задачи 18.2.9 из сборника Кепе О.Э.
18.2.9Определить отношение между возможными перемещениями ?sA и ?sВ точек А и В шатуна механизма пре..
100р.
Решение задачи 18.3.1 из сборника Кепе О.Э.
18.3.1Зубчатая передача состоит из двух колес с числом зубьев z2 = 2z1. На колесо 1 действует пара с..
67р.
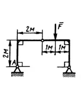
Решение задачи 18.3.10 из сборника Кепе О.Э.
18.3.10На первую часть трехшарнирной арки действует вертикальная сила F = 8 • 10Н Определить модуль ..
60р.
Решение задачи 18.3.12 из сборника Кепе О.Э.
18.3.12Определить модуль силы F2, которую необходимо приложить к ползуну, для того чтобы механизм на..
60р.
Решение задачи 18.3.13 из сборника Кепе О.Э.
18.3.13Определить модуль силы F1, которую необходимо приложить к кривошипу AB, для того чтобы механи..
100р.
Решение задачи 18.3.14 из сборника Кепе О.Э.
18.3.14Горизонтальная балка АС заделана концом С в вертикальную стену и нагружена парой сил с момент..
68р.
Решение задачи 18.3.15 из сборника Кепе О.Э.
18.3.15Балки АС и CD соединены между собой шарниром С. Горизонтальная балка АС опирающаяся на ребро ..
100р.














