Михаил_Перович
Решение задачи 6.3.15 из сборника Кепе О.Э.
6.3.15Определить координату zc центра тяжести однородного тела, состоящего из двух цилиндров, если ..
60р.
Решение задачи 6.3.16 из сборника Кепе О.Э.
6.3.16Определить радиус R однородного конуса из условия, чтобы центр тяжести однородного тела, состо..
100р.
Решение задачи 6.3.2 из сборника Кепе О.Э.
6.3.2Определить координату zс центра тяжести круглого однородного конуса, если радиус основания r = ..
100р.
Решение задачи 6.3.3 из сборника Кепе О.Э.
6.3.3Определить статический момент круглого однородного конуса относительно координатной плоскости ..
100р.
Решение задачи 6.3.4 из сборника Кепе О.Э.
6.3.4Определить в заданном положении координату ус центра тяжести эллипсографа, если веса однородно..
100р.
Решение задачи 6.3.6 из сборника Кепе О.Э.
6.3.6Определить статический момент относительно координатной плоскости Оху тела, состоящего из одно..
100р.
Решение задачи 6.3.7 из сборника Кепе О.Э.
6.3.7Статический момент относительно плоскости Оху тела, состоящего из однородных цилиндра и конуса..
100р.
Решение задачи 6.3.9 из сборника Кепе О.Э.
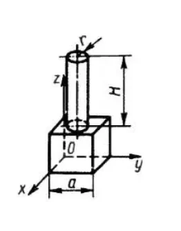
6.3.9Определить высоту Н однородного прямоугольного параллелепипеда из условия, чтобы центр тяжести..
60р.
Решение задачи 60 сборника по общей химии Глинка Н.Л.
60. На вопрос, какой объем займет 1 моль воды при нормальных условиях, получен ответ: 22,4 л. Правил..
25р.
Решение задачи 60 сборника по химии Шиманович И.Е 2003
60. Атомы каких элементов четвертого периода периодической системы образуют оксид, отвечающий их вы..
25р.
Решение задачи 600 сборника по общей химии Глинка Н.Л.
600. В каком направлении будет смещено в водном растворе равновесие реакции: CH3COONa+CH2ClCOOH↔CH3C..
25р.
Решение задачи 601 из методички Чертова для заочников
601. Невозбужденный атом водорода поглощает квант излучения с длиной волны λ = 102,6 нм. Вычислить, ..
10р.
Решение задачи 601 сборника по общей химии Глинка Н.Л.
601. Указать, какой порядок расположения растворов равной молекулярной концентрации соответствует во..
25р.
Решение задачи 602 из методички Чертова для заочников
602. Вычислить по теории Бора радиус r2 второй стационарной орбиты и скорость v2 электрона на этой о..
10р.
Решение задачи 602 сборника по общей химии Глинка Н.Л.
602. Раствор кислоты и раствор основания смешивают в эквивалентных соотношениях. Для каких из перечи..
25р.










