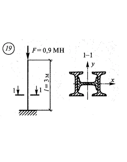
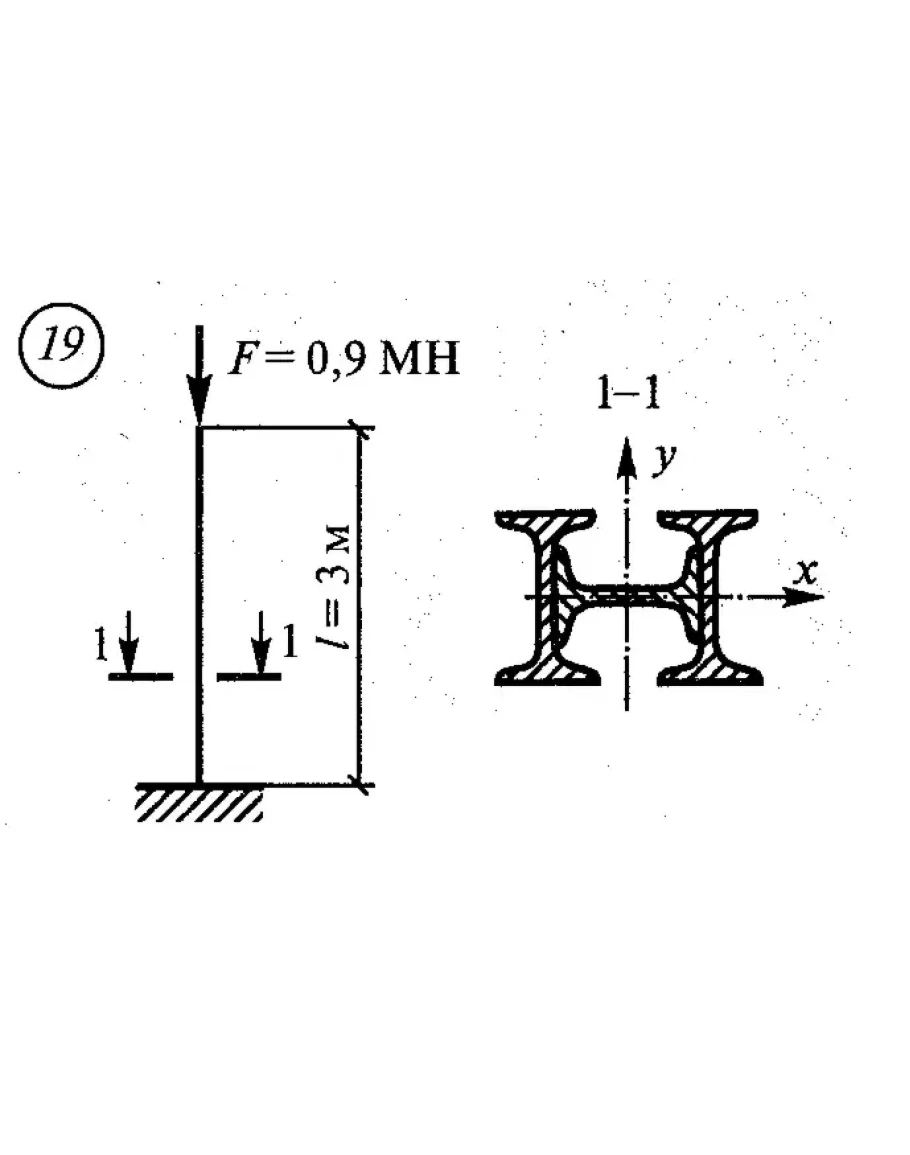
Подбор сечения центрально-сжатой стойки.
Решение выполнено в соответствии с требованиями из сборника.
Сборник В.И. Сеткова (стр. 151).
Решение выполнено в соответствии с требованиями из сборника.
Сборник В.И. Сеткова (стр. 151).
Расчетно-графическая работа 7. Вариант 19
- Продавец: prosto-igor
- Модель: 2577164
- Наличие: Есть в наличии
-
201р.




