prosto-igor
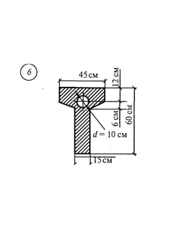
Расчетно-графическая работа 3. Задание 2. Вариант 6
Определение положения центра тяжести сечения, состоящего из простых геометрических фигур.Решение вып..
139р.
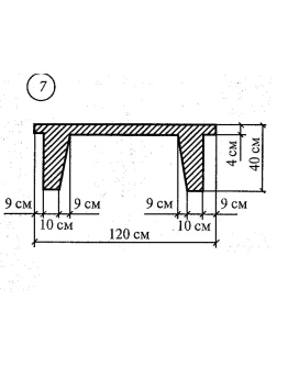
Расчетно-графическая работа 3. Задание 2. Вариант 7
Определение положения центра тяжести сечения, состоящего из простых геометрических фигур.Решение вып..
139р.
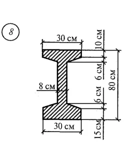
Расчетно-графическая работа 3. Задание 2. Вариант 8
Определение положения центра тяжести сечения, состоящего из простых геометрических фигур.Решение вып..
139р.
Расчетно-графическая работа 3. Задание 2. Вариант 9
Определение положения центра тяжести сечения, состоящего из простых геометрических фигур.Решение вып..
139р.
Расчетно-графическая работа 4. Вариант 9
Определить усилия в стержнях системы, поддерживающей абсолютно жесткий брус...
139р.
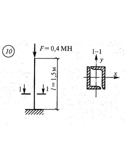
Расчетно-графическая работа 7. Вариант 1
Подбор сечения центрально-сжатой стойки.Решение выполнено в соответствии с требованиями из сборника...
208р.
Расчетно-графическая работа 7. Вариант 10
Подбор сечения центрально-сжатой стойки.Решение выполнено в соответствии с требованиями из сборника...
208р.
Расчетно-графическая работа 7. Вариант 11
Подбор сечения центрально-сжатой стойки.Решение выполнено в соответствии с требованиями из сборника...
208р.
Расчетно-графическая работа 7. Вариант 14
Подбор сечения центрально-сжатой стойки.Решение выполнено в соответствии с требованиями из сборника...
208р.
Расчетно-графическая работа 7. Вариант 15
Подбор сечения центрально-сжатой стойки.Решение выполнено в соответствии с требованиями из сборника...
208р.
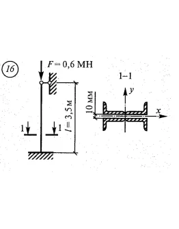
Расчетно-графическая работа 7. Вариант 16
Подбор сечения центрально-сжатой стойки.Решение выполнено в соответствии с требованиями из сборника...
208р.
Расчетно-графическая работа 7. Вариант 17
Подбор сечения центрально-сжатой стойки.Решение выполнено в соответствии с требованиями из сборника...
208р.
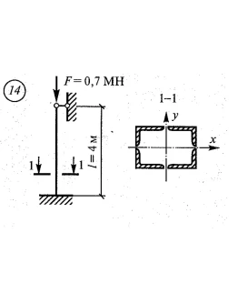
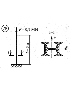
Расчетно-графическая работа 7. Вариант 19
Подбор сечения центрально-сжатой стойки.Решение выполнено в соответствии с требованиями из сборника...
208р.
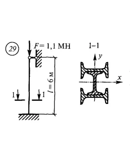
Расчетно-графическая работа 7. Вариант 29
Подбор сечения центрально-сжатой стойки.Решение выполнено в соответствии с требованиями из сборника...
208р.
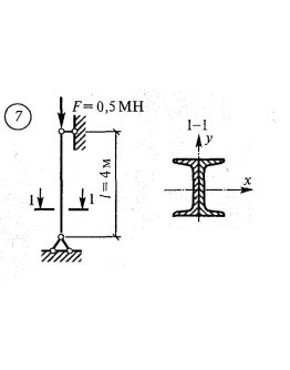
Расчетно-графическая работа 7. Вариант 7
Подбор сечения центрально-сжатой стойки.Решение выполнено в соответствии с требованиями из сборника...
208р.














