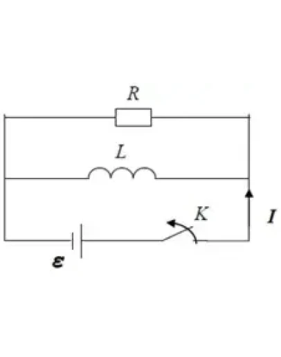
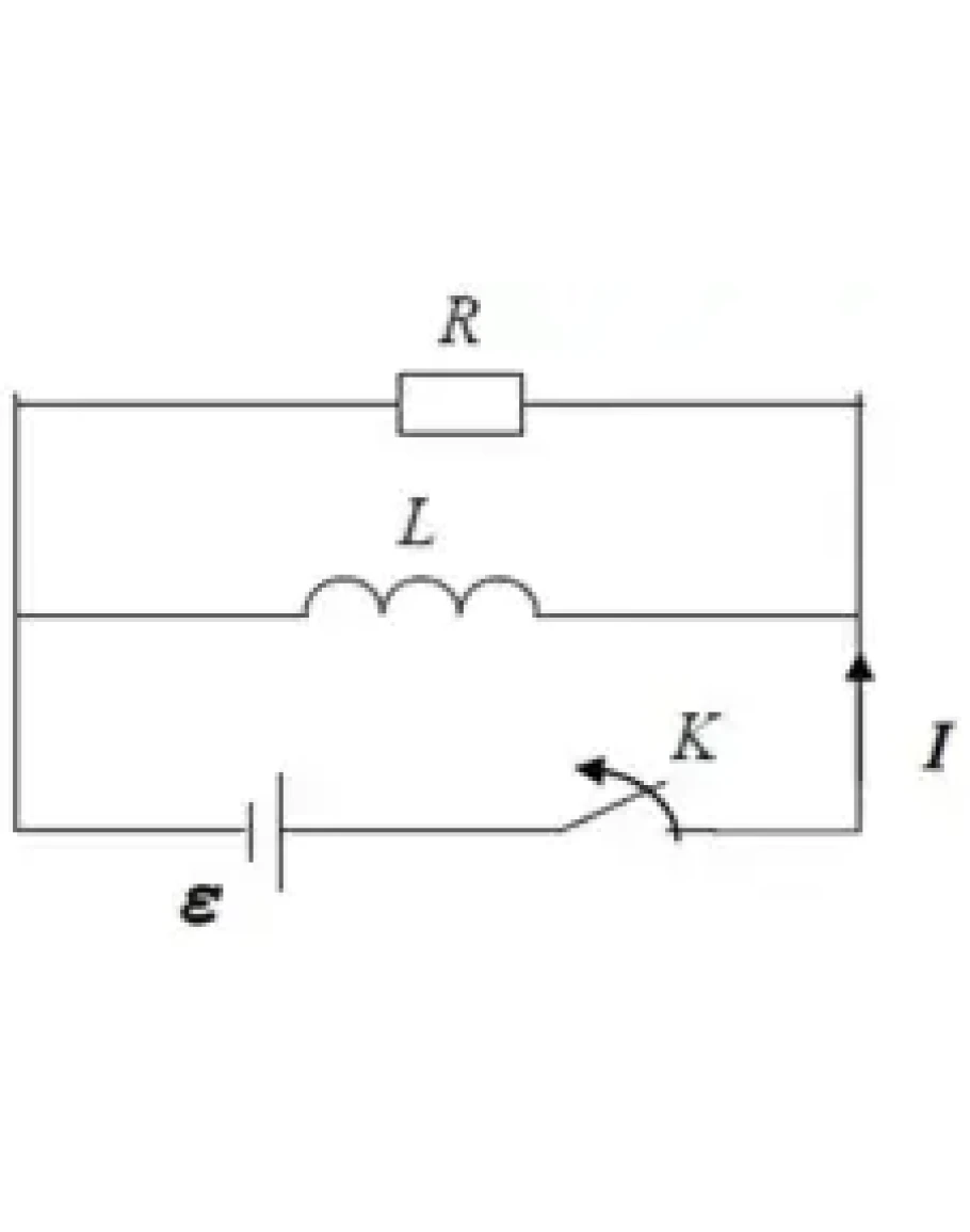
Электрическая цепь, состоящая из катушки с индуктивностью L = 0,15 Гн и резистора сопротивлением R = 3,0 Ом, которые соединены параллельно и подключены к источнику ЭДС через ключ К. В некоторый начальный момент времени ключ К размыкают. Определите количество тепла, которое выделится в резисторе за 0,1 с после размыкания ключа К. Величина ЭДС источника равна 12 В, внутреннее сопротивление источника r = 1 Ом.




