Юрий Физик
Задача 00122.
На балку АВ действует пара сил с моментом М = 800 Н*м. Определить момент в заделке С, если АВ = 2 м ..
102р.
Задача 00123.
На балку АВ действует линейно распределенная нагрузка интенсивностью qmax = 3 кН/м. Определить реакц..
100р.
Задача 00124.
Определить реакцию опоры А в кН, если сила F = 3 кН, угол 30°, размер АВ = ВС...
101р.
Задача 00125.
Найти вертикальную составляющую реакции в шарнире А, если сила F = 900 Н, размеры АВ = ВС...
91р.
Задача 00126.
Легкая пружина зажата между двумя телами А и В, лежащими на гладком полу и соединенными нитью. Если ..
91р.
Задача 00127.
Найти горизонтальную составляющую реакции в шарнире С, если сила F = 800 Н, размеры АВ = ВС...
91р.
Задача 00128.
Стержни АВС и CD соединены между собой шарниром С. На стержень CD действует пара сил с моментом M = ..
91р.
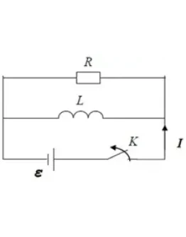
Задача 00132.
Электрическая цепь, состоящая из катушки с индуктивностью L = 0,15 Гн и резистора сопротивлением R =..
102р.
Задача 00133.
Небольшое тело пускают снизу вверх по наклонной плоскости, составляющей угол 30⁰ с горизонтом. Коэфф..
102р.
Задача 00137.
Брусок массой 4 кг может двигаться только вдоль вертикальных направляющих, расположенных на вертикал..
102р.
Задача 00138.
Блок, массу m = 2,0 кг которого можно считать равномерно распределенной по ободу, вращается с началь..
102р.
Задача 00139.
Диск, момент инерции которого J = 40 кг∙м2, начинает вращаться равноускоренно под действием момента ..
102р.
Задача 00140.
Цилиндрическое тело жестко закреплено на горизонтальной оси радиуса r = 8 мм. На ось намотан шнур, к..
102р.
Задача 00141.
Сила тока в колебательном контуре, состоящем из последовательно соединенных катушки индуктивностью 2..
101р.
Задача 00144.
Деревянный стержень длиной l = 1,0м и массой M = 5,0 кг может вращаться вокруг перпендикулярной к не..
102р.








